ABLIC S-19192 Battery Monitoring ICs
ABLIC S-19192 Battery Monitoring ICs are for automotive rechargeable batteries that include high-accuracy voltage detection circuits and delay circuits. These ICs feature switching control for 3-serial to 6-serial cell packs and can perform a self-test to confirm overcharge and over-discharge detection operations. The S-19192 battery monitoring ICs are AEC-Q100-qualified and are RoHS compliant. These ICs are lead and halogen-free. Typical applications include automotive rechargeable battery pack (EV, HEV, and PHEV).Features
- High-accuracy voltage detection circuit for each cell
- 2.5V to 4.5V (25mV step) overcharge detection voltage (accuracy ±20mV (Ta = 25°C), ±30mV (Ta = −5°C to 55°C) )
- 2.3V to 4.5V overcharge release voltage (accuracy ±50mV)
- 1.5V to 3V (100mV step) over-discharge detection voltage (accuracy ±80mV)
- 1.5V to 3.3V over-discharge release voltage (accuracy ±100mV)
- Self-test results to confirm overcharge and over-discharge detection operations
- Each delay time is settable by an internal circuit only (external capacitors are not necessary)
- Detection delay time: 32ms, 64ms, 128ms, and 256ms
- Release delay time: 2ms, 4ms, 8ms, and 16ms
- Switching control for 3-serial to 6-serial cell packs
- Two detection signal types:
- Common:
- OUT1 pin: overcharge and over-discharge detection signal
- Separate:
- OUT1 pin: overcharge detection signal
- OUT2 pin: over-discharge detection signal
- Common:
- Output form:
- CMOS output, Nch open-drain output
- 6V to 28V wide operation voltage range
- 18μA maximum current consumption
- -40°C to 105°C operating temperature range
- Lead (Sn 100%) and halogen-free
- RoHS compliant
Applications
- Automotive rechargeable battery pack (EV, HEV, and PHEV)
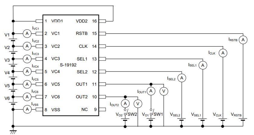
Circuit Diagram
Block Diagram
Yayınlandı: 2023-10-30
| Güncellenmiş: 2023-11-16
