ABLIC S-82L1/T1/U1/V1 Battery Protection ICs
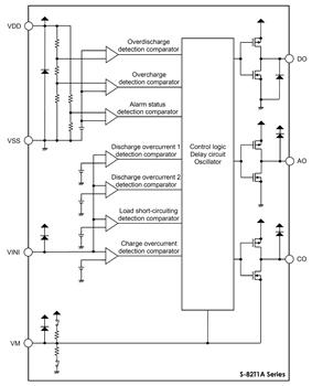
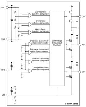
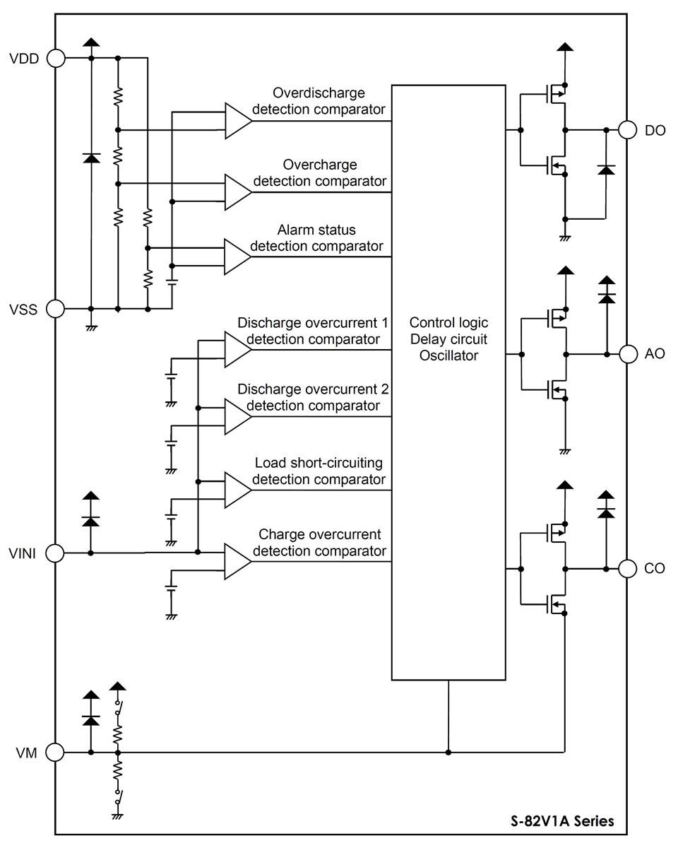
ABLIC S-82L1/T1/U1/V1 Battery Protection ICs monitor the voltage between VDD and VSS with high accuracy of ±12mV. The ABLIC S-82L1/T1/U1/V1 ICs overcome the difficulties posed by current detection resistance and FET on-resistance. The alarm signal output to the charge control circuit accurately detects the battery voltage, adjusting the current and charge voltage accordingly. This results in safe and efficient fast charging, improving device safety and extending battery life.Features
- Overcharge detection voltage accuracy of ±12mV maximizes battery performance
- Overcurrent detection voltage accuracy of ±0.75mV suppresses heat generation in the protection circuit board
- Battery protection ICs for fast charging
- High-accuracy battery voltage monitoring with an alarm function enables simple and safe fast charging
Applications
- Smartphone
- Tablet PC
- Headset
- Smartwatch
- Activity tracker
- Wireless earphones
Specifications
- Number of cells
- 1-cell
- Function
- S-82L1 series
- Alarm function
- S-82T1/U1/V1 series
- Sense resistance, alarm function
- S-82L1 series
- Overcharge detection voltage (accuracy)
- S-82L1 series
- 4.20V to 4.60V (±12mV)
- S-82T1/U1/V1 series
- 3.50V to 4.80V (±12mV)
- S-82L1 series
- Over-discharge detection voltage (accuracy)
- 2.00V to 3.00V (±50mV)
- Discharge overcurrent 1 detection voltage (accuracy)
- S-82L1 series
- 0.003V to 0.100V (±3mV)
- S-82T1 series
- 0.003V to 0.100V (±1.5mV)
- S-82U1 series
- 0.003V to 0.100V (±1mV)
- S-82V1 series
- 0.003V to 0.100V (±0.75mV)
- S-82L1 series
- Discharge overcurrent 2 detection voltage (accuracy)
- S-82T1 series
- 0.010V to 0.100V (±3mV)
- S-82U1 series
- 0.010V to 0.100V (±2mV)
- S-82V1 series
- 0.010V to 0.100V (±1.5mV)
- S-82T1 series
- Current consumption during operation
- S-82L1 series
- 0.8μA typ., 1.5μA max. (TA = +25°C)
- S-82T1/U1/V1 series
- 2.5μA typ., 5.0μA max. (TA = +25°C)
- S-82L1 series
- Current consumption during power-down
- 0.05μA max. (TA = +25°C)
- Package
- S-82L1 series
- SNT-6A
- S-82T1/U1/V1 series
- HSNT-8(1616)
- S-82L1 series
- Temperature range
- TA= -40°C to +85°C
Overview
View Results ( 5 ) Page
| Parça Numarası | Veri Sayfası |
|---|---|
| S-82L1AAA-I6T1U7 | ![]() |
| S-82T1AAA-A8T2U | ![]() |
| S-82U1AAA-A8T2U | ![]() |
| S-82U1AAB-A8T2U | ![]() |
| S-82V1AAA-A8T2U | ![]() |
Yayınlandı: 2023-02-08
| Güncellenmiş: 2023-02-13

