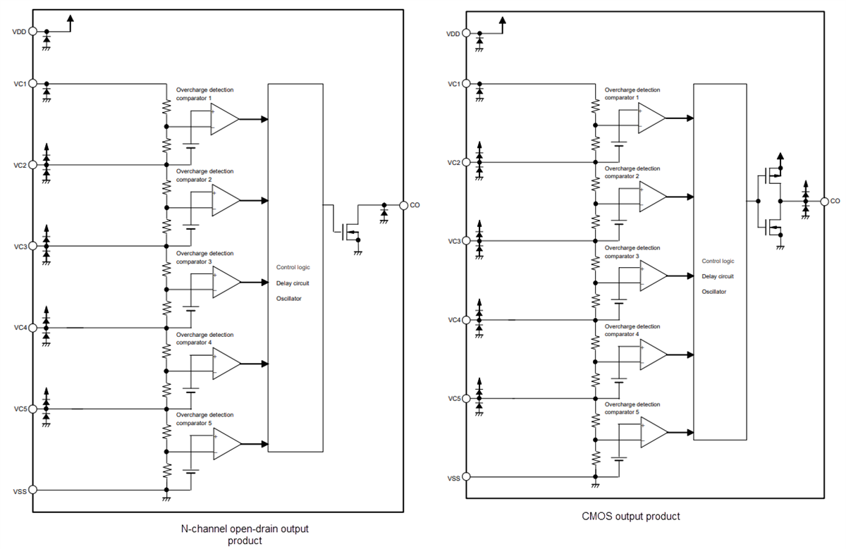
ABLIC S-82P5B Battery Protection IC
ABLIC S-82P5B Battery Protection IC is designed for secondary protection of lithium-ion rechargeable batteries, which includes high-accuracy voltage detection circuits and delay circuits. The S-82P5B IC provides short-circuiting between cells, making it possible for serial connection of three cells to five cells. This IC operates between 3.6V to 26V voltage range and -40°C to 85°C temperature range. The S-82P5B IC is available in TMSOP-8 and SNT-8A packages. This IC is lead and halogen-free.Features
- High-accuracy voltage detection circuit for each cell
- 0.5s, 1s, 2s, 4s, 6s, and 8s overcharge detection delay time
- CMOS output and Nch open-drain output
- Built-in test mode function to check overcharge detection voltage with shortened delay time
- 28V absolute maximum high-withstand voltage
- 3.6V to 26V operating voltage range
- 1.2μA to 2.4μA (Ta=25°C) low current consumption range during operation
- Lead (Sn 100%) and halogen-free
Applications
- Lithium-ion rechargeable battery pack
Block Diagrams
Yayınlandı: 2024-07-04
| Güncellenmiş: 2024-07-25
