Altech R Series Circuit Breaker
Altech R Series Circuit Breaker are DIN-rail mounted and feature 17.5mm width per pole, 0.5 to 63A rated current range, and 10kA short-circuit withstand capacity. This thermal magnetic supplementary protector is UL 1077 recognized and include 1-, 2-, and 3-pole variants. Altech R Series Circuit Breaker feature a positive trip indicator with green for "off/tripped" and red for "on" status. The R series is ideal for sensitive electronics, power supplies, and appliance circuits.Features
- DIN-rail mounted
- Thermal magnetic
- UL 1077 recognized
- 1-, 2-, and 3-pole variants
- Positive trip indicator (green - off/tripped, red - on)
Applications
- Sensitive electronics
- Power supplies
- Appliance circuits
Specifications
- 17.5mm width per pole
- 0.5 to 63A rated current
- 10kA short-circuit withstand capacity
- 18Hz to 50Hz vibration resistance
- IP20 rating
- -25°C to 60°C operating temperature range
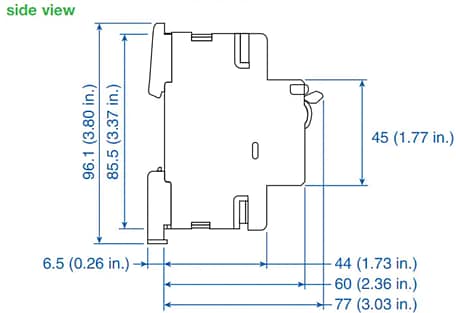
Dimensions (mm)
Pole Dimensions
Accessories
Yayınlandı: 2019-09-03
| Güncellenmiş: 2025-07-02
