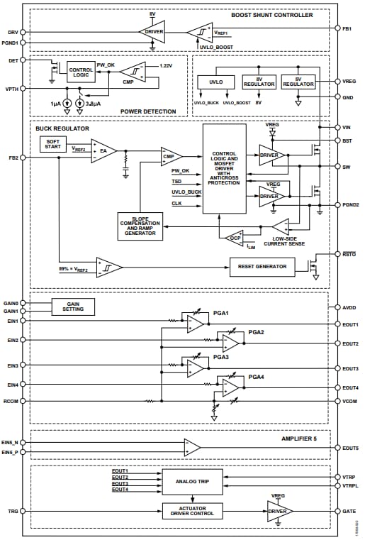
Analog Devices Inc. ADP2450 Power Management IC
Analog Devices ADP2450 Power Management IC is optimized for low-voltage circuit breakers, such as the molded case circuit breaker (MCCB), and current transformer-powered supply applications. The device integrates four low-offset, low-power-consumption amplifiers. The ADP2450's programmable gain accurately measures a wide current input range based on the CT turn ratio. A low-offset operation amplifier is integrated into the device for leakage current detection. The buck regulator operates over a wide input voltage range of 4.5V to 36V. The output voltage can be adjusted down to 0.6V. The buck regulator provides output currents of up to 500mA.Features
- Boost shunt controller
- Integrated boost shunt driver
- Programmable power detection threshold
- Buck regulator
- 4.5V to 36V adjustable output voltage range
- 4.5V to 36V input voltage range
- 500mA continuous output current
- 1.35mA operating supply current
- 3.3V and 5V fixed output options
- 1.2MHz fixed switching frequency
- Adjustable output voltage down to 0.6V
- Voltage monitoring and open-drain reset output
- Four programmable gain amplifiers
- Low power consumption
- Programmable gain and output DC common voltage
- Low offset operation amplifier for leakage and grounding fault current detection
- Analog trip circuit with programmable trip threshold
- Actuator driver output
- Available in 32-lead LFCSP or 48-lead LQFP packages.
- -40°C to +125°C junction temperature range
Applications
- Low-voltage circuit breakers
- CT-powered supplies
Typical Application Circuit
Block Diagram
Power By Linear
Yayınlandı: 2019-07-22
| Güncellenmiş: 2024-03-01
