Analog Devices Inc. ADRF5043 Silicon SP4T Switches
Analog Devices Inc. ADRF5043 Silicon SP4T Switches are manufactured in the silicon-on-insulator (SOI) process and operate from 9kHz to 44GHz. The ADRF5043 has an insertion loss of lower than 2.5dB and isolation of higher than 36dB. The device has an RF input power handling capability of 24dBm for both through and terminated paths.The ADI ADRF5043 requires a dual-supply voltage of +3.3V and -3.3V. The device employs CMOS- and low voltage transistor-to-transistor logic (LVTTL)-compatible controls. The ADRF5043 has enabled and logic select controls to feature all off-state and port mirroring, respectively. The ADRF5043 is pin-compatible with the ADRF5042 fast-switching version, which operates from 100MHz to 44GHz.
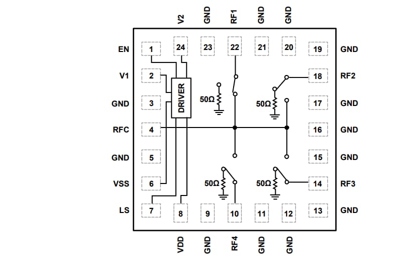
The ADRF5043 Silicon Nonreflective SP4T Switches are available in a 24-terminal, 3mm × 3mm, RoHS compliant, land grid array (LGA) package and have an operating temperature from -40°C to +105°C.
Features
- 9kHz to 44GHz ultra wideband frequency range
- Nonreflective 50Ω design
- Low insertion loss
- 1.5dB up to 18GHz
- 2.4dB up to 40GHz
- 2.5dB up to 44GHz
- High isolation
- 44dB up to 18GHz
- 39dB up to 40GHz
- 36dB up to 44GHz
- High input linearity
- 26dBm typical P0.1dB
- 48dBm typical IP3
- High power handling
- 24dBm through path
- 24dBm terminated path
- All off-state control
- Logic select control
- No low-frequency spurs
- 6µs settling time (0.1dB final RF output)
- 24-terminal, 3mm x 3mm LGA package
- Pin compatible with ADRF5042, fast-switching version
Applications
- Industrial scanners
- Test instrumentation
- Cellular infrastructure-millimeterwave (mmWave) 5G
- Military radios, radars, electronic counter measures (ECMs)
- Microwave radios and very small aperture terminals (VSATs)
Block Diagram
Yayınlandı: 2020-09-23
| Güncellenmiş: 2024-11-12
