Analog Devices Inc. EVAL-ADXL373Z Breakout Board
Analog Devices Inc. EVAL-ADXL373Z Breakout Board demonstrates the performance of the ADXL373 micropower, 3-axis, ±400g, digital output, microelectromechanical systems (MEMS) accelerometer. The ADI EVAL-ADXL373Z Board is ideal for evaluating the ADXL373 in an existing system because the stiffness and the small size of the evaluation board minimize the effect of the board on both the system and acceleration measurements.Features
- 2 sets of spaced vias for population of the 5-pin headers
- Simply attached to prototyping board or PCB
- Small size and board stiffness minimize impact on the system and acceleration measurements
Required Equipment
- External host processor
Layout
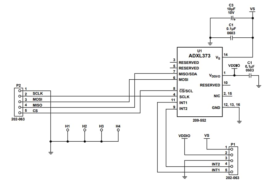
Schematic
Yayınlandı: 2021-06-28
| Güncellenmiş: 2022-03-11
