Analog Devices Inc. LTC7061 100V Half Bridge Drivers
Analog Devices Inc. LTC7061 100V Half-Bridge Drivers drive two N-Channel MOSFETs in a half-bridge configuration with supply voltages up to 100V. Both high-side and low-side drivers of the LTC7061 can drive the MOSFETs with a different ground reference, providing excellent noise and transient immunity.The ADI LTC7061 100V Half-Bridge Drivers offer powerful 0.8Ω pull-down and 1.5Ω pull-up MOSFET drivers that allow large gate capacitance high voltage MOSFETs. Additional features include UVLO, TTL/CMOS compatible inputs, adjustable turn-on/-off delays, and shoot-through protection.
Features
- Unique symmetric floating gate driver architecture
- High noise immunity,tolerates ±10V ground difference
- 100V Maximum input voltage independent of IC supply voltage VCC
- 5V to 14V VCC Operating voltage
- 4V to 14V Gate driver voltage
- 0.8Ω Pull-down, 1.5Ω pull-up for fast turn-on/off
- Adaptive shoot-through protection
- Adjustable dead-time
- TTL/CMOS Compatible input
- VCC UVLO/OVLO and floating supplies UVLO
- Drives dual N-channel MOSFETs
- Open-drain fault indicator (VCC UVLO/OVLO, gate driver UVLO and thermal shutdown)
- Available in thermally enhanced 12-LEAD MSOP
- AEC-Q100 Automotive qualification in progress
Applications
- Automotive and industrial power systems
- Telecommunication power systems
- Half-bridge and full-bridge converters
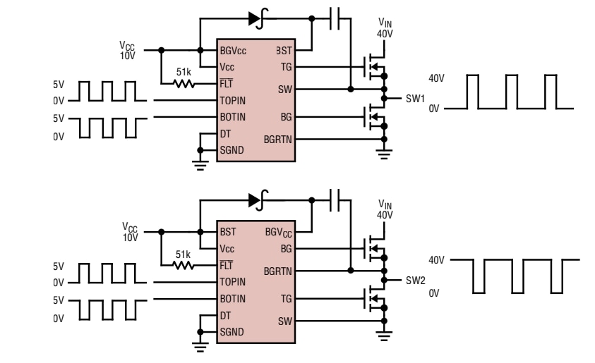
Typical Application
Yayınlandı: 2021-03-16
| Güncellenmiş: 2022-03-11
