Analog Devices / Maxim Integrated MAX1800x Evaluation Kits
Analog Devices Inc. MAX1800x Evaluation Kits feature pre-installed MAX18000AWT+ (nanopower version) or MAX18002AWT+ (ultrasonic variant) Boost Converters. The fully assembled and tested printed circuit board (PCB) operates with a 1.8V to 5.5V input voltage range, a switch current limit of 3.6A, and an output voltage adjustable between 2.5V and 5.5V. These Analog Devices Inc. evaluation boards have test points and jumpers for testing device functionality. Probing holes on critical nodes (OUT and LX) provide precise measurements.Features
- Pre-installed with MAX18000AWT+ or MAX18002AWT+
- 1.8V to 5.5V input voltage range
- Test points for INS, OUTS, and GNDS
- Output voltage adjustable between 2.5V to 5.5V (in 100mV steps)
- Sense sockets at LX and OUT
- Fully assembled and tested
Required Equipment
- Adjustable DC power supply
- 4x digital multimeters
- Electronic load
Components
- MAX18000WEVKIT# - Features a pre-installed MAX18000AWT+ nanoPower Boost Converter with a 512nA quiescent current. Operates in low-power mode at low loads to ensure high efficiency in all load conditions. For this version, VOUT - VIN > 0.2V (always in boost mode).
- MAX18002WEVKIT# - Pre-installed with a MAX18002AWT+ultrasonic boost converter that operates in ultrasonic mode (FSW > 22kHz) at low loads to stay away from acoustic audible noise interference.
Typical Application Circuit
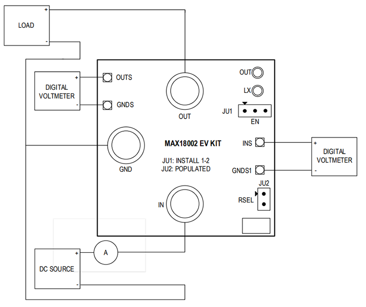
Connection Block Diagram
Yayınlandı: 2023-06-21
| Güncellenmiş: 2023-07-07
