Analog Devices / Maxim Integrated MAX77859 Buck-Boost Converter
Analog Devices Inc. MAX77859 Buck-Boost Converter is a high-efficiency, high-performance buck-boost converter targeted for systems requiring a wide input voltage range (2.5V to 22V). The IC can supply up to 6A output current in buck mode and 4A in boost mode (VIN = 3.7V, VOUT = 5V). The IC allows systems to change the output voltage dynamically through the I2C serial interface. MAX77859A features an I2C-adjustable output current limit with resolutions of 50mA/step (with 10mΩ sense resistance) to support USB-C™ PPS requirements. MAX77859B is a non-PPS version and is optimized for low quiescent current. Systems equipped with MAX77859 can provide fast-charging peripheral devices with higher output voltage, minimizing power loss across cable/connector and reducing charging time.The Analog Devices Inc. MAX77859 operates either in SKIP mode or in forced-PWM (FPWM) mode, depending on the operating conditions, to optimize efficiency. The default output voltage is 5V when using internal feedback resistors. When external feedback resistors are used, the IC can be configured to any default output voltage between 3V and 20V. The output voltage is adjustable dynamically (DVS) between 3.2V and 16V in 20mV steps when using internal feedback resistors or between 3V to 20V when using external feedback resistors (with step size dependent on the external feedback resistor ratio) by programming the internal reference voltage through I2C serial interface.
Features
- 2.5V to 22V wide input voltage range
- Programmable output voltage
- 3.2V to 16V with internal feedback resistors
- 3.0V to 20V with external feedback resistors
- USB Type-C® Power Delivery (PD)/Programmable Power Supply (PPS)
- 20mV output voltage step size
- 50mA output current limit step size
- Maximum output current
- Buck mode: Up to 6A
- Boost mode: Up to 4A (VIN = 3.7V, VOUT = 5V)
- 7.8A typical switching current
- Automatic SKIP mode and forced-PWM mode
- RSEL configuration
- I2C interface target address
- Switching current limit threshold
- Internal/external feedback resistors
- I2C programming
- Output voltage (DVS)
- Slew rate of output voltage change
- Output current limit threshold
- Switching current limit threshold
- Switching frequency
- Forced-PWM Mode operation (FPWM)
- Loop compensation
- Power-OK (POK) and fault status/interrupts
- Output active discharge
- Open-drain status/interrupts pin
- Available in a 3.01mm x 2.78mm 42 Wafer-Level Packaging (WLP) or 4.0mm x 4.0mm 19 FC2QFN
Applications
- USB PD 3.0 (PPS) Dynamically-Reconfigurable Processor (DRP) applications
- Space-constrained applications
Videos
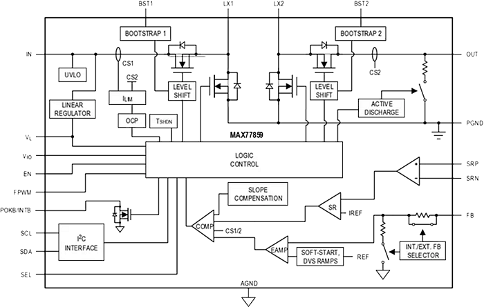
Functional Diagram
Yayınlandı: 2023-10-11
| Güncellenmiş: 2024-02-09
