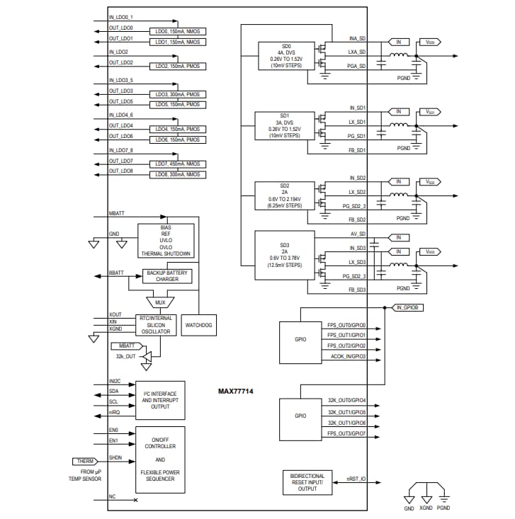
Analog Devices / Maxim Integrated MAX77714 Power Management IC
Analog Devices Inc. MAX77714 Power Management IC (PMIC) is designed for portable devices using System-on-Chip (SoC) application processors. This PMIC features 13 regulators, 8 General Purpose Input/Outputs (GPIOs), Real-time Clock (RTC), and Flexible Power Sequencer (FPS) for multi-core applications. ADI MAX77714 PMIC consists of 9 Low-Dropout (LDO) linear regulators that supply power to various system blocks. Each LDO features a programmable active-discharge circuit in shutdown and two soft-start rates to limit inrush current during start-up. The Maxim MAX77714 PMIC includes RTC with an external crystal oscillator that helps in time-keeping and alarm wake-up functions. This PMIC integrates an ON/OFF controller and FPS that provides maximum flexibility in setting power-up/down sequences with minimal intervention from the applications processor. Typical applications include drones, smartphones, PCs, AR/VR headsets, set-top boxes, digital cameras, and home automation hubs.Features
- Highly integrated
- 4x buck regulators
- 9x LDO linear regulators
- Eight GPIOs
- RTC
- Backup battery charger
- Bi-directional reset I/O
- Interrupt output
- System watchdog timer
- Low power
- Small size
- Flexible and configurable
- I2C compatible interface
- Factory OTP options are available
- Flexible power sequencer
- Configurable power-up/power-down/sleep mode entry/exit timing
- Highly configurable GPIO ALT modes
Applications
- Drones
- Smartphones
- Tablets
- PCs
- AR/VR headsets
- Set-top boxes
- Streaming devices
- Home automation hubs
- Automotive aftermarket accessories
- Digital cameras
Block Diagram
Yayınlandı: 2018-07-17
| Güncellenmiş: 2022-09-02
