Bourns Riedon™ PF2472 TO-247 Power Resistors
Bourns Riedon™ PF2472 TO-247 Power Resistors utilize thick film technology and come in standard TO-247 packaging. The PF2472 series offers low inductance, a power rating of up to 100W, and a wide resistance value range from 0.1Ω to 20kΩ. These Bourns power resistors feature resistance tolerance options of 1% and 5% and are ideal for AC-DC and DC-DC power converters, battery energy storage systems (BESS), capacitor recharge/discharge circuits, and more.Features
- 0.1Ω to 20kΩ resistance range
- Up to 100W power rating
- ±1% or ±5% resistance tolerance
- High stability film resistance elements
- Back plate isolated from both pins
- Low inductance
- Excellent pulse handling
- TO-247 housing
Applications
- AC-DC and DC-DC power converters
- BESS
- Capacitor recharge/discharge circuits
- Industrial power supplies, inverters, and motor drives
- Current sensing
- Snubber circuits
Specifications
- Power ratings
- 100W with heat sink
- 3W without a heat sink
- 1.3°C/W thermal resistance
- 2500VAC dielectric strength
- Temperature coefficient
- ±20PPM/°C (R≥20Ω)
- ±300PPM/°C (0.1Ω≤R<20Ω)
- -55°C to +175°C operating temperature
Videos
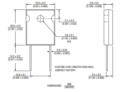
Dimensions
Yayınlandı: 2025-08-06
| Güncellenmiş: 2025-10-15
