Broadcom ASMT-Ax3x 3W Power LED Light Source
Broadcom ASMT-Ax3x 3W Power LED Light Source features a high-performance 3W LED designed to handle high thermal and high driving current. The low-profile package is suitable for a wide variety of applications, particularly those where height is a constraint. Broadcom ASMT-Ax3x Power LED Light Source offers high current operation, long operation life, and a wide viewing angle (140°). The series is ideal for architectural lighting, channel backlighting, contour lighting, retail display lighting, and more.Features
- Energy efficient
- Exposed metal slug for excellent heat transfer
- Compatible with reflow soldering process
- High current operation
- Long operation life
- Wide viewing angle at 140°
- Silicone encapsulation
- Non-ESD sensitive (threshold >16kV)
- MSL 2a products
Applications
- Architectural lighting
- Channel backlighting
- Contour lighting
- Retail display lighting
- Decorative lighting
- Garden lighting
- Safety, exit, and emergency sign lighting
- Specialty lighting
- Task lighting
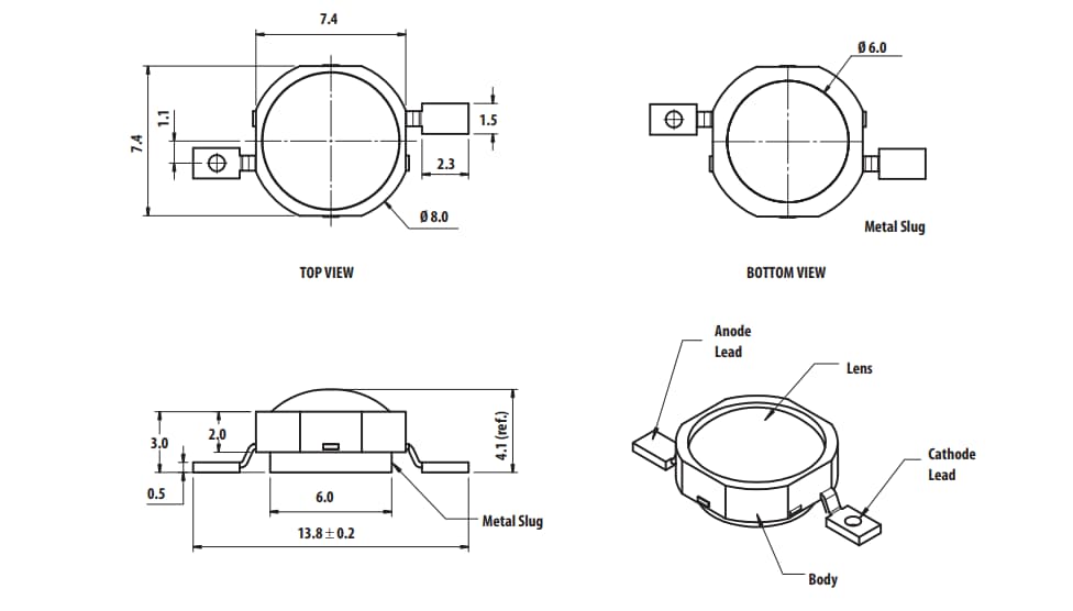
Dimensions (mm)
Yayınlandı: 2010-04-12
| Güncellenmiş: 2025-10-23
