Carlo Gavazzi RGS1A Solid-State Relay
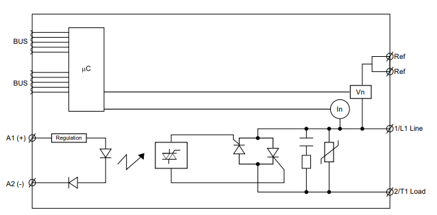
Carlo Gavazzi RGS1A Solid-State Relay (SSR) is the switching component in the NRG BUS chain. The SSR on the BUS is addressed by auto-addressing for fast setup and prevention of incorrect settings. This RGS1A SSR has integrated monitoring and a communication interface to provide data of the monitored variables and diagnostic information in real-time. The SSR status is accessible and in case of an unhealthy status, the specific fault is indicated to facilitate troubleshooting. The RGS1A SSR has a rated operational voltage up to 660VAC and rated operational current up to 90A AC at 40°C. Typical applications include plastic machineries such as injection machines, extrusion machines, and PET blow molding machines, packaging machinery, sterilization machinery, and drying tunnels.Features
- Communications interface:
- SSR parameters and diagnostic data are accessible in real-time
- Reduced maintenance costs and downtime:
- Use of real-time data for prevention of machine stoppages during operation
- Good quality products and low scrap rates:
- Real-time monitoring allows timely decisions for better machine and process management
- Fast installation and set-up:
- The SSRs on the BUS are addressed by auto-addressing for fast setup and prevention of incorrect settings
- Reduced efforts in troubleshooting:
- Distinguished faults to facilitate and reduce troubleshooting time
- Versatile:
- Easy integration in existing machines as the control of the SSR does not change compared to a solid-state relay without a communication interface
- Compact dimensions:
- Slimline RG series for a minimum product width of 17.8mm, 1x DIN, and up to 37A AC at 40°C
Applications
- Injection machines
- Extrusion machines
- PET blow moulding machines
- Packaging machines
- Sterilisation machines
- Drying tunnels
- Semiconductor manufacturing equipment
Functional Block Diagram
Mounting Diagram
NRG System
Yayınlandı: 2021-05-03
| Güncellenmiş: 2022-03-11
