Diodes Incorporated AP64352QSP-EVM Eval Board
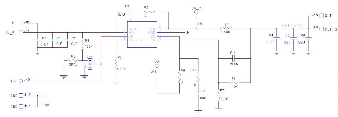
Diodes Incorporated AP64352QSP-EVM Eval Board is designed to evaluate the AP64352Q synchronous buck converter with a wide input voltage range of 3.8V to 40V. This converter fully integrates a 75mΩ high-side power MOSFET and a 45mΩ low-side power MOSFET to provide high-efficiency step-down DC/DC conversion. Typical applications include 5V, 12V, and 24V distributed power bus supplies, white goods, small home appliances, home audio, network systems, consumer electronics, and cordless power tools.Overview
AP64352QSP-EVM Schematic
Yayınlandı: 2020-07-13
| Güncellenmiş: 2024-08-07
