Diodes Incorporated AL5958Q 48-Channel Matrix LED Driver

Diodes Incorporated AL5958Q 48-Channel Matrix LED Driver is AEC-Q100 qualified and supports any dynamic application from no scan to 32 scans when two or more devices are connected. These devices feature 16 integrated built-in NMOS switches and distinctive Multiplex Pulse Density Modulation (M-PDM) technology, which increases the refresh rate of dynamic scanning systems. The AL5958Q driver operates from a 3V to 5V input voltage range and provides 48 constant current sourcing outputs that deliver up to 20mA of high-accuracy current for each LED channel string. A good channel-to-channel current accuracy is provided by the AL5958Q, as well as device-to-device current matching of ±1.5%. Suitable applications for the Diodes Incorporated AL5958Q driver include automotive environments, such as central information displays, cluster displays, grill lights, and interior lights.

Features

  • AEC-Q100 qualified
  • Grayscale PWM Dimming:
    • 16-bit PWM dimming resolution
    • High refresh rate achieved by M-PDM technology
    • Selectable single or double-edge trigger grayscale clock for EMI reduction
  • Diagnosis and Protections:
    • LED open/short, grayscale clock watchdog
    • Undervoltage lockout
  • Built-in Intelligent Matrix display functions:
    • Automatic black frame insertion
    • Last scan and next scan line ghost image abatement
    • Low brightness uniformity compensation
    • Short LED caterpillar and open LED fail line abatement
  • Daisy-chained capability
  • Sleep mode to save power

Applications

  • Automotive central information displays
  • Automotive cluster displays
  • Automotive head-up displays
  • Automotive grill lights
  • Automotive body mini-LED panels
  • Automotive interior lights
  • Automotive rear lights

Specifications

  • Two separated power supplies (VR and VGB):
    • 2.8V to 5V VR supply range
    • 3V to 5V VGB supply voltage
  • 48 output current source:
    • 0.5mA to 20mA constant current output range
    • Current setting by 3 external resistors
    • 6-bit global current control for each color group
    • ±1.5% LED current accuracy between channels
    • ±1.5% LED current matching between devices
    • Output staggered delay
  • W-QFN9090-76/SWP package
  • 9mm x 9mm dimensions
  • Built-in 16 NMOS scan switches:
    • For static and dynamic systems from 0 scan to 1/32 scan
    • Flexible scan sequence
  • Built-in 3x 16k bits SRAM
  • -40°C to +125°C ambient temperature range

PIn Assignments

Mechanical Drawing - Diodes Incorporated AL5958Q 48-Channel Matrix LED Driver

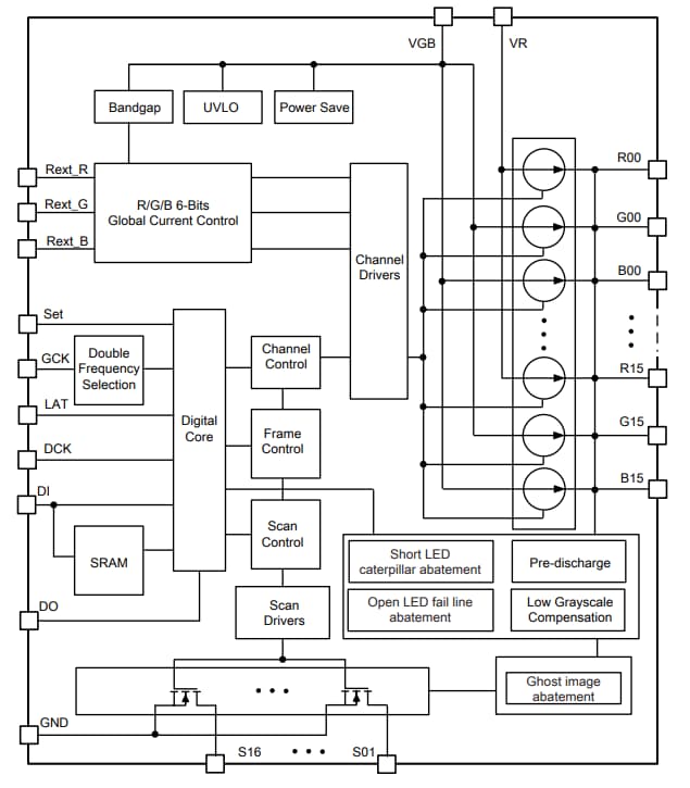
Functional Block Diagram

Block Diagram - Diodes Incorporated AL5958Q 48-Channel Matrix LED Driver
Yayınlandı: 2025-08-29 | Güncellenmiş: 2025-11-26