Diodes Incorporated AP64352SP-EVM Evaluation Board
Diodes Incorporated AP64352SP-EVM Evaluation Board evaluates the AP64352 3.5A synchronous buck converter. This converter is fully integrated with an 80mΩ high-side power MOSFET and a 500mΩ low-side power MOSFET to provide high-efficiency step-down DC-DC conversion. The AP64352SP-EVM board operates at -40°C to 85°C temperature range and 3.8V to 40V supply voltage range. This evaluation board offers 3.5A continuous output current. The AP64352SP-EVM board is ideal for use in home audio, network systems, consumer electronics, optical communication, networking systems, and general-purpose point of load.Features
- Evaluates the AP64352 synchronous buck converter
- 3.5A continuous output current
- -40°C to 85°C operating temperature range
- 3.8V to 40V supply voltage range
Applications
- 5V, 12V, and 24V Distributed Power Bus Supplies
- White goods and small home appliances
- Home audio
- Network systems
- Consumer electronics
- Cordless power tools
- Optical communication and networking systems
- General-purpose point of load
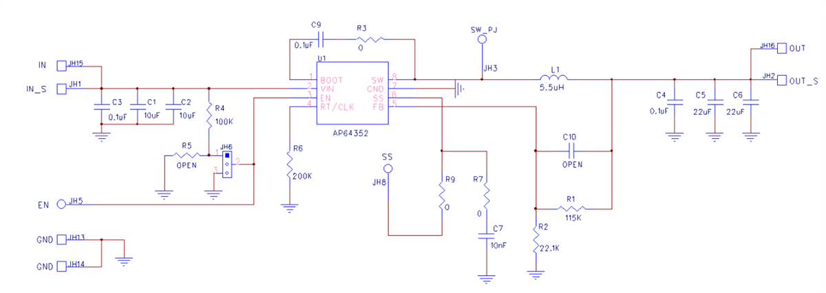
Schematic Diagram
Yayınlandı: 2020-02-11
| Güncellenmiş: 2024-07-24
