Diotec Semiconductor MUR1620CT Superfast Recovery Rectifier
Diotec Semiconductor MUR1620CT Superfast Recovery Rectifier offers very low reverse recovery time and low forward voltage drop. This rectifier features center-tapped diodes, available in Common cathode (CT) or Common anode (CTR) configurations. The MUR1620CT superfast recovery rectifier complies with RoHS (exemption 7a), REACH, and conflict minerals. This rectifier is packaged in tubes or boxes with case materials rated UL 94V‑0 for flame resistance. The MUR1620CT superfast recovery rectifier is ideal for rectification at higher frequencies, power supplies with highly efficient switching stages, free-wheeling diodes, and commercial-grade applications.
Features
- Center-tapped diodes: Common cathode (CT) or Common anode (CTR)
- Very low reverse recovery time
- Low forward voltage drop
- Compliant with REACH and conflict minerals
Applications
- Rectification at higher frequencies
- Power supplies with highly efficient switching stages
- Free-wheeling diodes
- Commercial grade
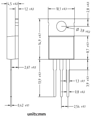
Dimension Diagram
Yayınlandı: 2026-01-22
| Güncellenmiş: 2026-02-09
