Infineon Technologies 6ED223xS12T EiceDRIVER™ Gate Driver ICs
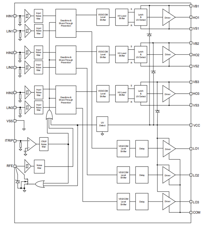
Infineon Technologies 6ED223xS12T EiceDRIVER™ Level Shift Gate Driver ICs are high voltage (up to 1200V), high-speed insulated-gate bipolar transistors (IGBTs) with three independent high-side and low-side referenced output channels for three-phase applications. Proprietary HVIC and latch-immune CMOS technologies enable a ruggedized monolithic construction. Logic input is compatible with standard CMOS or TTL outputs, down to 3.3V logic. This resistor can also derive an over‐current protection (OCP) function that terminates all six outputs.The 3-phase 6ED223xS12T ICs provide an open drain FAULT signal to indicate an over-current or undervoltage shutdown. Fault conditions are cleared automatically after an externally programmed delay via an RC network. The output drivers feature a high-pulse current buffer stage designed for minimum driver cross-conduction. The floating channel can drive N-channel power MOSFETs or IGBTs in the high-side configuration, which operates up to 1200V. Propagation delays are matched to simplify the HVIC’s use in high-frequency applications.
Features
- Three-phase solution with Infineon Silicon-On-Insulator (SOI) technology and integrated Bootstrap Diodes (BSD)
- Deadtime and cross-conduction prevention logic
- Fully operational to +1200V off-set voltage
- Tolerate to negative transient voltage (up to -100V), dV/dt immune
- Undervoltage lockout for both channels
- Over current protection with ±5% ITRIP threshold
- Fault reporting, automatic Fault clear and Enable function on the same pin (RFE)
- Matched propagation delay for all channels
- Integrated 460ns deadtime protection
- Shoot-through (cross-conduction) protection
- Low quiescent current
- High power efficiency
- Fast and reliable switching
- Increased device reliability
- Low-cost bootstrap power supply
- Easy-to-use, straightforward design
- Various input options
- Standard pin-out and packages
Applications
- Industrial drives
- Motor control
- General purpose inverters
- Commercial and residential air-conditioning
Specifications
- 1200V rated
- Output current
- 0.35A source
- 0.65A sink
- +0.35A/‐0.65A output source/sink current capability
- 6-channels
- -40°C to +125°C ambient temperature range
- Propagation delay
- 700ns turn-on
- 650ns turn-off
- 10V to 20V input range
- 3.3V, 5V, and 15V input logic compatible
Datasheets
Functional Block Diagram
Additional Resources
Yayınlandı: 2023-01-26
| Güncellenmiş: 2023-07-03
