Infineon Technologies BTS3080EJ Demonstration Board
Infineon Technologies BTS3080EJ Demonstration Board evaluates the features and performance of the BTS3080EJ Highly Integrated Temperature Protected MOSFET (HITFET™) switches. This demonstration board features an integrated programmable push button and a diagnosis function. The board is capable of driving one 12V resistive, capacitive, or inductive load and is compatible with the Arduino/XMC1100 boot kit. Infineon Technologies BTS3080EJ Demonstration Board is RoHS compliant and operates within a supply voltage range of 6V to 31V.Features
- Evaluate features and performance of BTS3080EJ HITFET switches
- Integrated programmable push button
- Diagnosis function
- Arduino/XMC1100 boot kit compatible
- Can drive one 12V resistive, capacitive, or inductive load
- 6V to 31V supply voltage range
- RoHS compliant
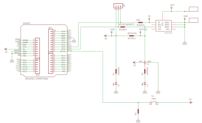
Schematic
Yayınlandı: 2019-12-10
| Güncellenmiş: 2024-01-23
