Infineon Technologies TLT9251VLE High-Speed CAN FD Transceiver

Infineon Technologies TLT9251VLE High-Speed CAN (Controller Area Network) FD (Flexible Data-rate) Transceiver features a flexible data rate of up to 5MB and is AEC-Q100 Grade 0 qualified for automotive applications. The TLT9251VLE Transceiver is designed to fulfill the requirements of ISO 11898-2 (2016) physical layer specification and respectively, also the SAE (Society of Automotive Engineering) standards J1939 and J2284. As an interface between the physical bus layer and the HS CAN protocol controller, the TLT9251VLE protects the microcontroller against interference generated inside the network. A very high ESD robustness and high RF immunity allow this device to be used in automotive applications without adding additional protection devices.

Based on the high symmetry of the CANH and CANL output signals, the TLT9251VLE provides a very low electromagnetic emission (EME) level within a wide frequency range. 

The optimized transmitter and delay symmetry of the receiver enable the TLT9251VLE to support CAN FD data frames. Depending on the size of the network and the associated parasitic effects, the device supports bit rates up to 5MBit/s. 

Dedicated low-power modes provide very low quiescent currents while the device is powered up. In Stand-by mode, the typical quiescent current on VIO is below 10µA, but the device can still be woken up by a bus signal on the HS CAN bus.

Fail-safe features like overtemperature protection, output current limitation, or the TxD time-out feature protect the TLT9251VLE and the external circuitry from irreparable damage.

The Infineon Technologies TLT9251VLE is available in a small, leadless PG-TSON-8 package. This device supports the solder joint requirements for automated optical inspection (AOI) and is RoHS-compliant and halogen-free.

Features

  • Fully compliant to ISO 11898-2 (2016), SAE J2284-4, and SAE J2284-5
  • Infineon automotive quality
  • AEC-Q100 Grade 0 (Ta: -40°C to +150°C) qualification for high-temperature mission profiles
  • Guaranteed loop delay symmetry for CAN FD data frames up to 5MBit/s
  • Very low electromagnetic emission (EME) allows the use without additional common-mode choke
  • VIO input for voltage adaption to the µC interface (3.3V and 5.0V)
  • Bus Wake-up Pattern (WUP) function with optimized filter time (0.5µs to 1.8µs) for worldwide OEM usage
  • Standby Mode with minimized quiescent current
  • Transmitter supply VCC can be turned off in Standby Mode for additional quiescent current savings
  • Wake-up indication on the RxD output
  • Wide common-mode range for electromagnetic immunity (EMI)
  • Excellent ESD robustness ±8kV (HBM) and ±11kV (IEC 61000-4-2)
  • Extended supply range on the VCC and VIO supply
  • CAN short circuit proof to ground, battery, VCC, and VIO
  • TxD time-out function
  • Very low CAN bus leakage current in a power-down state
  • Overtemperature protection
  • Protected against automotive transients according to ISO 7637 and SAE J2962-2 standards
  • Green Product (RoHS compliant)
  • Small, leadless TSON8 package designed for automated optical inspection (AOI)

Applications

  • Car powertrain and transmission applications
  • Gateway modules
  • Body Control Modules (BCM)
  • Engine Control Unit (ECUs)

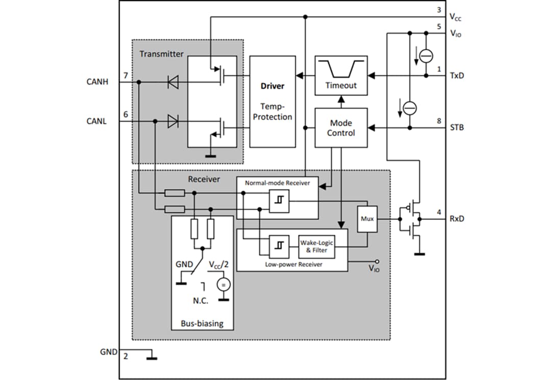
Block Diagram

Block Diagram - Infineon Technologies TLT9251VLE High-Speed CAN FD Transceiver

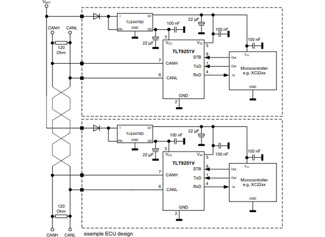
Typical Application Circuit

Application Circuit Diagram - Infineon Technologies TLT9251VLE High-Speed CAN FD Transceiver

Package Outline

Mechanical Drawing - Infineon Technologies TLT9251VLE High-Speed CAN FD Transceiver
Yayınlandı: 2020-08-18 | Güncellenmiş: 2025-03-24