Littelfuse CH1B032B Current Sensor
Littelfuse CH1B032B Current Sensor utilizes open-loop Hall effect technology to provide a ratiometric output signal proportionate to the magnetic flux density generated by the C-core. This Littelfuse current sensor offers digital output for ASIL C integration. The CH1B032B is designed for battery management systems (BMS) and features high sensing accuracy, low thermal offset drift, and low thermal sensitivity drift.Features
- Designed for BMS
- Open-loop Hall effect
- Busbar isolated measurement
- Unipolar +5VDC power supply
- -40°C to +85°C operating temperature range
- CAN 2.0B digital output with diagnostics, AUTOSAR E2E Profile 1A implemented
- Over-range current detection
- Very high accuracy obtained through multiple Hall sensor output combinations
- ±1500A Channel CAN digital signal output
Specifications
- -6V to 5.5V maximum supply voltage range
- 150mA maximum supply current
- 6V maximum voltage to CAN without ASIC damage
- 1mA maximum current to output pin without ASIC damage
- 50MΩ insulation resistance
- 1mA dielectric strength
- 17mm creepage distance
- 15.6mm electrical clearance
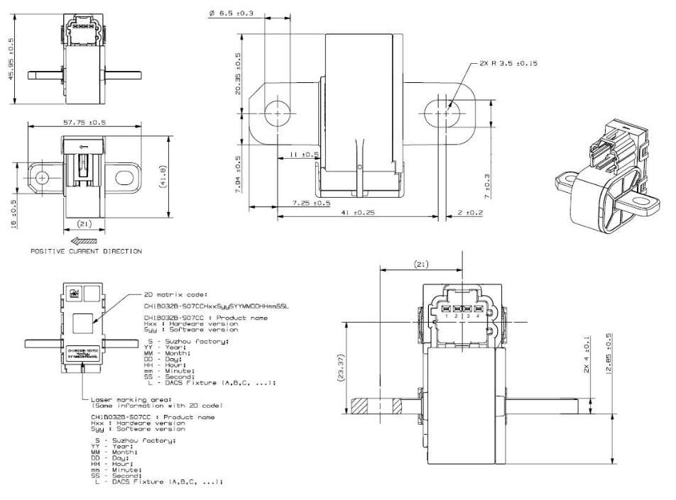
Dimensions (mm)
Yayınlandı: 2025-09-26
| Güncellenmiş: 2025-10-24
