Microsemi / Microchip Le87511 Single-Channel Line Driver
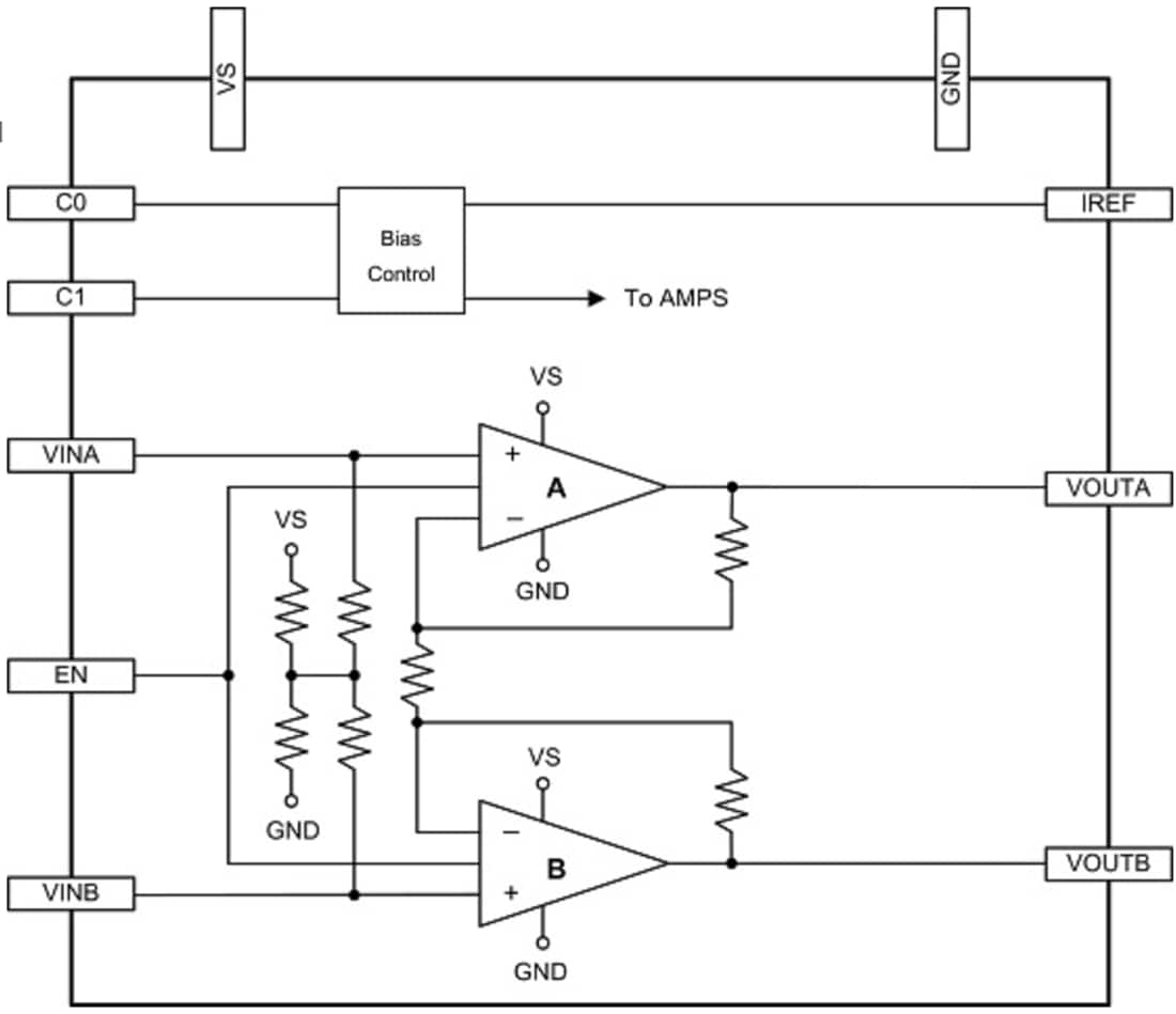
Microsemi / Microchip Le87511 Single-Channel Line Driver is designed to work in home network G.hn power line communication systems. The Le87511 contains a pair of wideband amplifiers designed with Microsemi's HV30 Bipolar SOI process for low power consumption. The line driver gain is fixed internally, and a single supply powers the amplifiers. The device can be programmed to one of four preset bias levels to optimize power and performance. A Disable state forces the line driver into a low-power, high-impedance mode for receiving transmissions.Features
- 25dB high voltage gain
- Operation to 86MHz
- Class AB operation
- Low power operation
- Capable of driving line impedance between 50Ω to 200Ω
- Enable/Disable control
- Small 16-pin, 4mm x 4mm QFN package
- RoHS compliant
Applications
- Power Line Communications (PLC)
- Home networking
- HPNA
- G.HN
Block Diagram
Yayınlandı: 2019-10-30
| Güncellenmiş: 2023-06-14
