Monolithic Power Systems (MPS) MP4559 Step-Down Converters
Monolithic Power Systems (MPS) MP4559 Step-Down Converters are high-frequency switching regulators with an integrated high-side, high-voltage power MOSFET. The MP4559 series delivers 1.5A output with current mode control for a fast loop response and easy compensation. The wide input range of 3.8V to 55V accommodates many step-down applications, including automotive input environments. 12µA quiescent current in shutdown mode makes the MP4559 series suitable for battery-powered applications. Higher power conversion efficiency is achieved over a wide load range by scaling down the switching frequency under light load conditions.Features
- Wide 3.8V to 55V operating input range
- 250mΩ internal power MOSFET
- Up to 2MHz programmable switching frequency
- 140µA quiescent current
- Ceramic capacitor stable
- Internal soft-start
- Up to 95% efficiency
- Adjustable output from 0.8V to 52V
- Available in QFN (3mm x 3mm) and SOIC8E with exposed pad packages
Applications
- High voltage power conversion
- Automotive systems
- Industrial power systems
- Distributed power systems
- Battery-powered systems
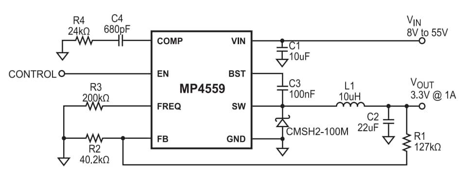
Typical Application
Yayınlandı: 2015-05-14
| Güncellenmiş: 2022-03-11
