Monolithic Power Systems (MPS) MPQ2166A Synchronous Buck Regulator
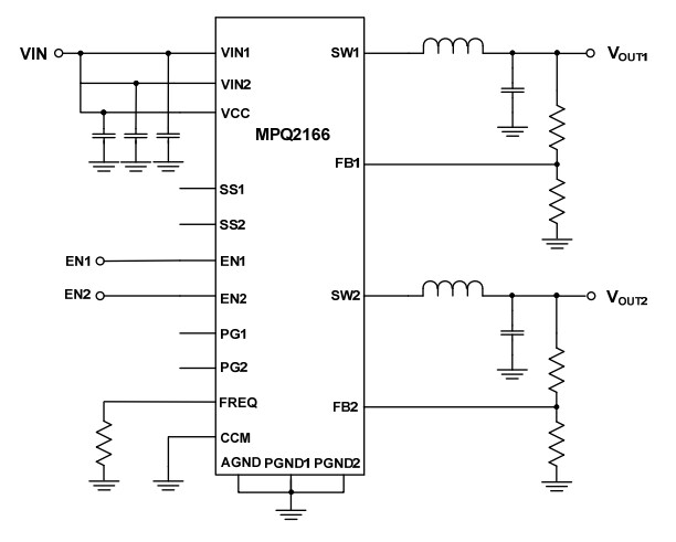
Monolithic Power Systems (MPS) MPQ2166A Synchronous Buck Regulator is an internally compensated, dual, PWM, synchronous, step-down regulator. The MPQ2166A operates from a 2.7V to 6V input and generates an output voltage as low as 0.6V. The MPQ2166 is configured as a 2A/2A or 3A/1A output current regulator. It's ideal for powering portable equipment that runs on a single-cell lithium-ion (Li+) battery due to a low 60µA quiescent current. The MPQ2166 integrates dual, 55mΩ, high-side switches and 20mΩ synchronous rectifiers for high efficiency without an external Schottky diode. The MPQ2166 has peak-current-mode control and internal compensation and is capable of low dropout configurations. Both channels can operate at 100% duty cycle.Features
- 2.7V to 6V operating input range
- 2A/2A or 3A/1A continuous current
- 55mΩ/20mΩ RDS(ON)
- Programmed frequency up to 3MHz
- External sync clock up to 3MHz
- 180° phase-shifted operation
- Power Good (PG) indicators
- External Soft Start (SS) and track
- Adjustable advanced asynchronous mode (AAM) or forced continuous conduction mode (FCCM)
- Peak efficiency >90%
- Output adjustable from 0.6V to 5.5V
- 100% duty cycle operation
- 60µA quiescent current
- Cycle-by-cycle over-current protection (OCP)
- Short-circuit protection (SCP) with hiccup mode and valley current detection
- Thermal shutdown
- Available in QFN-18 (2mm x 3mm) and QFN18 (2.5mm x 3.5mm) packages
- Available in a wettable flank package
- Available in AEC-Q100 Grade-1
Applications
- Automotive infotainment
- Automotive clusters
- Automotive telematics
- Battery-powered devices
- Portable instruments
TYPICAL APPLICATION
Technical Resources
Yayınlandı: 2021-04-13
| Güncellenmiş: 2022-12-21
