Monolithic Power Systems (MPS) MPQ4276A Buck Converters
Monolithic Power Systems (MPS) MPQ4276A Buck Converters integrate a monolithic, step-down switch-mode converter with two USB current-limit switches. These buck converters achieve a 6A output current (IOUT) across a wide input supply range. The MPQ4276A converters offer dual USB charging ports and Pulse Frequency Modulation (PFM) mode under light load conditions to improve light-load efficiency. These converters feature hiccup current limiting, Output Over-Voltage Protection (OVP), and thermal shutdown. The MPQ4276A converters are AEC-Q100 Grade 1 qualified and available in QFN-26 (5mmx5mm) packages. Typical applications include USB hubs and USB Type-C™ charging ports.Features
- Automatic Pulse-Frequency Modulation (PFM) and Pulse-Width Modulation (PWM) modes
- 6V to 36V operating input voltage (VIN) range
- Selectable output voltage (VOUT)
- 21mΩ and 15mΩ low on-resistance (RDS(ON)) internal power MOSFETs
- 18mΩ and 18mΩ low RDS(ON) internal power MOSFETs for USB1 and USB2
- 200kHz to 2.2MHz adjustable frequency range
- 5A output current (IOUT) limit of USB1 and USB2
- Hiccup current limit for both the buck converter and USB switches
- Fault indication for USB1 and USB2
- Supports USB Type-C™ 5V @3A mode
- Line drop compensation
- Passes USB-IF Type-C certification test
- Passes Apple MFI certification test
- ±8kV Human Body Model (HBM) ESD rating for USB1 and USB2
- Available in a QFN-26 (5mm x 5mm) package
- AEC-Q100 Grade 1 certified
Applications
- USB hubs
- USB Type-C charging ports
Typical Application Circuit
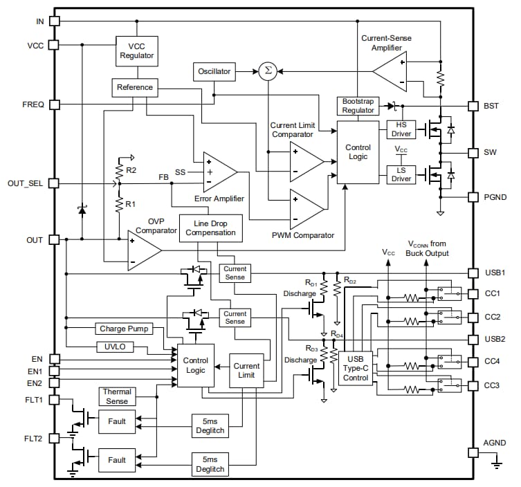
Block Diagram
Yayınlandı: 2024-02-01
| Güncellenmiş: 2024-02-12
