Nisshinbo NJM4558 Dual Operational Amplifiers
Nisshinbo NJM4558 Dual Operational Amplifiers offer an internal compensation circuit on a single silicon chip. The NJM4558 provides excellent characteristics by incorporating the parameters adjusted for a monolithic chip. The Nisshinbo NJM4558 dual operational amplifiers channel separation characteristic is ideal for measuring instruments.Features
- ±4V to ±18V operating voltage
- 100dB typical high voltage gain
- 5MΩ typical high input resistance
- Bipolar technology
- DIP8, DMP8, SIP8, SOP8 JEDEC 150mil, SSOP8 package outline
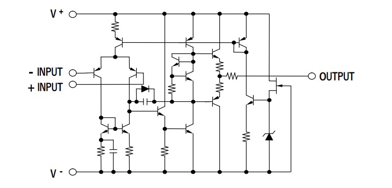
EQUIVALENT CIRCUIT
PIN CONFIGURATION
Yayınlandı: 2023-02-02
| Güncellenmiş: 2023-02-06
