- Ana Sayfa
- EN YENİ Ürünler
- Kategoriye Göre Yeni
- Pasif bileşenler
- Kondansatör
- Seramik Kondansatörler
- MLCC'ler - Çok Katmanlı Sermik Kapasitörler
- Çok Katmanlı Seramik Kondansatörler MLCC - Kurşunlu
- Group Power Conversion Components - YAGEO
YAGEO Group Power Conversion Components
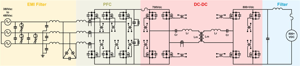
YAGEO Group (YAGEO, Pulse, KEMET) designs passive component technologies that are critical in power conversion systems, including safety, snubber, and DC link capacitors; current sense and power resistors; and magnetic components such as transformers, common mode chokes, and inductors. Because every electronic device requires power, a vast majority of these products utilize a form of power conversion or power supply to deliver the required energy.Power supplies are used to convert the available input voltage range to a precisely regulated voltage required for the device and often provide isolation between hazardous input voltages and output to protect the powered devices or users. Many different power conversion methods, or topologies, are used, including non-isolated circuits like buck, boost, SEPIC, and Ćuk, and isolated topologies like flyback, forward, push-pull, and bridges and circuits that can range from mW to kW. Overall, the complexity of a power supply will increase as the output power increases because factors such as safety and thermal dissipation require advanced design and specific component selection.
Power Conversion Top Level Components
Power MOSFETS
YAGEO XSemi Power MOSFETs
Use advanced processing techniques for low on-resistance, efficiency, and cost-effectiveness.
PFC
KEMET CT Low AC Sensors
Detects very low current levels and provides overcurrent protection in electronic appliances.
Pulse Electronics AEC-Q200 Current Sense Transformers
Used as low loss method for sensing AC current in circuits, for switch-mode power applications.
KEMET R76H 125°C Polypropylene Capacitors
125°C, double-sided metallized film electrodes for direct current and pulse applications.
KEMET High Voltage C0G MLCCs (Commercial & Auto Grade)
≥500V with capacitance values up to 150nF and case sizes ranging from EIA 0603 to 4540.
Pulse Electronics PM21x High Isolation IATF & AEC-Q200 Transformers
Push-pull converter transformers intended to operate in a fixed duty cycle Push-Pull topology.
Pulse Electronics BM62x PLC Transformers
Designed with IEC-62368 for 250V main supply with 3MHz to 30MHz wideband frequency range.
KEMET AEC-Q200 Aluminum Electrolytic Capacitors
6.3VDC to 600VDC voltage range, 6800µF maximum capacitance, and up to 15,000 hours of life.
KEMET DC-Link Film Capacitors
Acts as an intermediary DC smoothing stage between AC stages.
YAGEO RV High Voltage Chip Resistors
High component reliability, lead-free terminations made by a thick-film process, sizes 0805 to 2512.
KEMET Industrial Aluminum Electrolytic Capacitors
Offers high CV, high reliability, high vibration, high ripple, and low ESR.
DC-DC
Pulse Electronics Extended Creepage Current Sense Transformers
Low profile with a 7mm maximum height, supports current measurements of up to 50ARMS.
H-Bridge
KEMET Aluminum Electrolytic Capacitors
Complete line of AECs designed for a wide range of electronic equipment and applications.
KEMET DC-Link Film Capacitors
Acts as an intermediary DC smoothing stage between AC stages.
KEMET High Voltage C0G MLCCs (Commercial & Auto Grade)
≥500V with capacitance values up to 150nF and case sizes ranging from EIA 0603 to 4540.
YAGEO RV High Voltage Chip Resistors
High component reliability, lead-free terminations made by a thick-film process, sizes 0805 to 2512.
KEMET R76H 125°C Polypropylene Capacitors
125°C, double-sided metallized film electrodes for direct current and pulse applications.
Pulse Electronics PM21x High Isolation IATF & AEC-Q200 Transformers
Push-pull converter transformers intended to operate in a fixed duty cycle Push-Pull topology.
Related Products
KEMET EMI/RFI Suppression Capacitors
Offers a maximum voltage rating of 760VAC and are ideal for capacitive power supplies.
KEMET AC Line Filters
Compact, low profile, and lightweight, and available in a variety of form factors and heights.
Pulse Electronics PMC9539 Automotive Grade THT Common Mode Chokes
Automotive-grade thru-hole common-mode chokes.
Pulse Electronics PAC6006 & PAC6034 SMT Common Mode Chokes
Features an EP13 Platform with 1500VRMS isolation and a -40°C to +125°C operating temperature range.
KEMET Single- & Three-Phase EMI-RFI Filters
Capable of covering single- or three-phase requirements depending on the application.
KEMET AC Harmonic Filter Film Capacitors
Self-healing, polypropylene metallized film caps that are placed on AC voltage lines to filter them.
YAGEO Group DC-DC Converters
YAGEO Group strives to support 90% of all the passive technologies required in circuit designs.
- YAGEO
