Qorvo ACT85610 PLP Power Management IC (PMIC)
Qorvo ACT85610 Power Management IC (PMIC) is a highly integrated, highly configurable multiple output power management unit with built-in Power Loss Protection (PLP). The Qorvo ACT85610 includes four high-efficiency bucks that can supply 3x 4A and 1x 2A current, with an output as low as 0.6V. A boost regulator with 12V output and a fixed output buck provide the power for the IC itself and supply power to the gate drivers in regulators for maximum efficiency.The Power Loss Protection provides backup storage power in the event of an input power failure. A built-in Boost converter provides high voltage energy storage to minimize storage capacitor size requirements. The built-in supplement Buck converter regulates the storage voltage to a fixed output voltage. It contains internal, back-to-back eFuse FETs to provide bi-directional input to output isolation. The ACT85610 also provides hot-swap and inrush current control.
The Qorvo ACT85610 PMIC is offered in a 6mm2 Quad Flat No-leads (QFN) package and is lead-free, halogen-free, and RoHS compliant.
Features
- High-performance power loss protection
- 2.7V to 14V operating input range with 14.4V overvoltage protection
- 20V maximum input withstand voltage
- Adjustable start-up slew rate
- Inrush current control
- Configurable power failure levels
- Programmable 10A input current limit
- Programmable 5.5V to 31V boost storage voltage
- 31V at 8A synchronous buck supports 100% duty cycle
- Programmable up to 2.25MHz buck operating frequency for small inductor size
- Undetectable transition from input supply to capacitor bank power
- Compatible with different types of storage caps, including Super Caps, Electrolytic, Tantalum, and POSCAP
- Autonomous health monitoring
- Early storage capacitor failure detection
- Storage capacitance measurement
- High-efficiency PMIC with integrated FETs
- Four high-voltage DC-DC Buck converters
- Integrated synchronous power stage
- Up to 96% efficiency
- Optimized single-stage conversion from 12V for outputs as low as 6V
- Excellent dynamic response
- Proprietary COT control algorithm
- Small inductor sizes
- Fast transient response
- 1 high voltage nonsynchronous Boost regulator
- 1 LDO with programmable output voltage
- 500kHz to 2.0MHz configurable frequency range
- Near constant frequency
- Sensorless over current protection (OCP)
- Output undervoltage (UV) and overvoltage (OV) detection
- Ceramic capacitor stable
- System control and interface
- Dedicated Power Loss Indicator (PLI) pin
- Six programmable general-purpose I/O
- I2C serial interface and password protection
- ADC monitoring of critical signals
- Independent on and off sequencing
- Reset/Power Good output
- Configurable rails on/off through I2C/GPIO
- Input power, undervoltage, and overvoltage monitoring
- Configurable interrupts to inform host of any faults/status change
- Thermal alert and protection
- System management
- Versatile GPIO functions
- Watchdog supervision
- Interrupt function available
- I2C safety bits to enhance immunity against spurious I2C
- Physical characteristics
- -40°C to +150°C operating junction temperature
- 35°C/W junction to ambient thermal resistance
- Thermally enhanced FCQFN-52 package
- 6mm x 6mm package dimensions
Applications
- Solid-state drives (SSD)
- Backup power
- Hot-plug devices
- Industrial applications
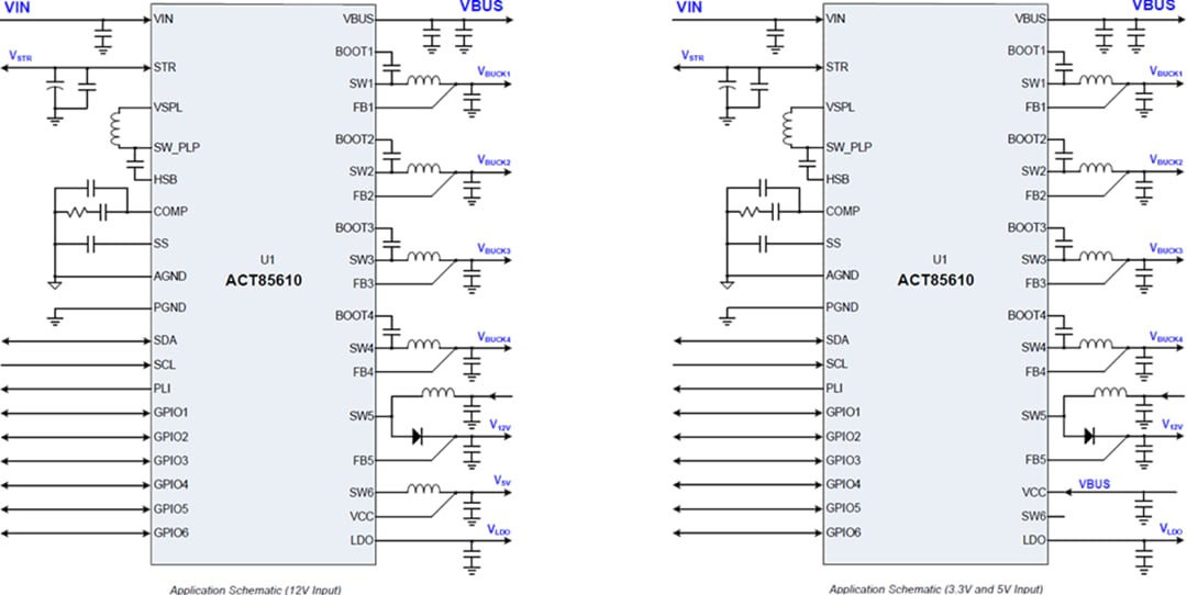
Application Schematics
Block Diagram
Yayınlandı: 2020-02-03
| Güncellenmiş: 2024-08-19
