Qorvo CMD319C3 Ultra-Low-Noise RF Amplifier
Qorvo CMD319C3 Ultra-Low-Noise RF Amplifier is a broadband Monolithic Microwave Integrated Circuit (MMIC) low-noise amplifier housed in a leadless 3mm x 3mm surface-mount package. This RF amplifier is ideally suited for electronic warfare (EW) and communication systems where small size and low power consumption are needed. The CMD319C3 device is optimized for broadband performance and delivers 20dB of gain with a corresponding noise figure of 0.92dB at 10GHz. The Qorvo CMD319C3 amplifier is a 50Ω matched design that eliminates the need for external DC blocks and RF port matching.Features
- Ultra-low noise figure
- High-gain broadband performance
- Low-power dissipation
- Pb-free RoHS compliant
- 3mm x 3mm QFN package
Applications
- EW
- X Band radar
- Space
- Satellite communications (satcom)
- Phased arrays
Specifications
- 8GHz to 12GHz frequency range
- 20dB gain
- 0.92dB noise figure
- 30mA supply current
- 5.5Vdd drain voltage
- 3.3Vgg gate voltage
- 921mW power dissipation
- 70°C/W thermal resistance
- -40°C to +85°C operating temperature range
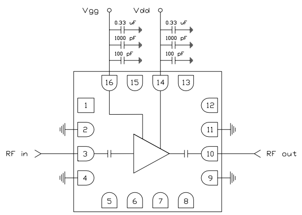
Application Circuit
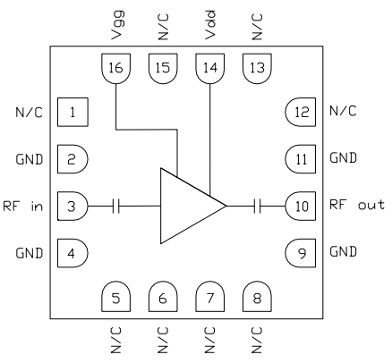
Block Diagram
Yayınlandı: 2020-05-21
| Güncellenmiş: 2024-09-03
