ROHM Semiconductor BD6787xMWV-Z Brushless DC Motor Gate Drivers
ROHM Semiconductor BD6787xMWV-Z Brushless DC Motor Gate Drivers are designed for three-phase brushless DC motor applications. These ICs from ROHM Semiconductor drive three half-bridges, each consisting of six N-channel power MOSFETs up to 60V. The BD67870MWV-Z has a 6x PWM mode, while the BD67872MWV-Z has a 3x PWM mode. The BD67871MWV-Z features an Innovative Active Gate Drive (TriC3™), which suppresses EMI and reduces heat generation in MOSFET power devices used in motor drive systems. TriC3 achieves these functions by monitoring various voltages around the MOSFET power device and using this voltage information to intelligently control the gate drive current of the MOSFET power device.
Features
- Wide 4.5V to 60V input voltage range
- Bootstrap gate driver with current source circuit for 100% duty cycle operation and high-impedance (HiZ) state with trickle charge pump
- Thermal shutdown, input VCC, and gate driver VREG UVLO protection
- Super low IVCCQ (<1µA at sleep mode)
- Adjustable 10ns to 3000ns dead time control by an external resistor
- 6x (BD67870MWV-Z) or 3x (BD67872MWV-Z) PWM mode (input logic)
Applications
- Three-phase, brushless, DC motors
- Permanent magnet synchronous motors
- Power tools
- E-Bikes, mobility
Specifications
- Gate driver strength (source)
- BD67870MWV-Z and BD67872MWV-Z: rated at 0.5A (typical)
- BD67871MWV-Z: rated at 0.7A (typical)
- 4.5V to 60V VCC range
- 1A (typical) gate driver strength (sink)
- 3.8V (typical) UVLO detecting voltage VCC
- +150°C maximum junction temperature
Videos
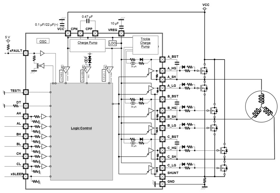
BD67870/BD67872 Block Diagram
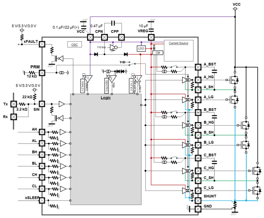
BD67871 Block Diagram
Yayınlandı: 2025-10-08
| Güncellenmiş: 2026-01-19
