ROHM Semiconductor BD68960EKV-C Stepping Motor Driver
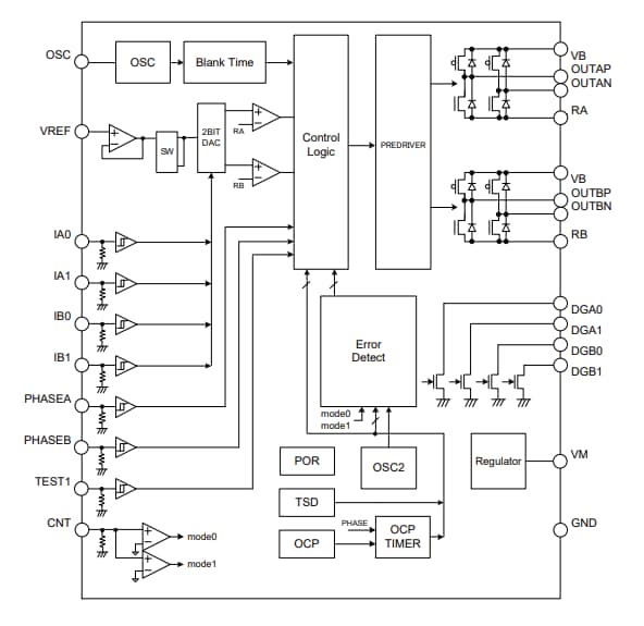
ROHM Semiconductor BD68960EKV-C Stepping Motor Driver is a low-consumption bipolar driver driven by PWM current and a rated power supply voltage of 35V. This motor driver is AEC-Q100 qualified and features PARA-IN drive mode and a rated output current of 1.8A. The PARA-IN driving mode is adopted for input interface, and current decay mode is the SLOW DECAY. The BD68960EKV-C motor driver offers full-, half (two kinds)-, quarter-step functionality as well as open detection mask time selection function. This motor driver comes in an ultra-thin and high heat-radiation (exposed metal type) package and operates within the -40°C to 125°C temperature range. Typical applications include Exhaust Gas Recirculation (EGR) valve, printers, monitoring cameras, sewing machines, and robots.Features
- AEC-Q100 qualified
- 1.8A rated output current (DC)
- Low ON resistance H-bridge output
- PARA-IN drive mode
- Built-in noise-masking function (external noise filter is unnecessary)
- Full-, half (two kinds)-, and quarter-step functionality
- Open detection mask time selection function
- Current limit mask time function
- Built-in logic input pull-down resistor
- Power ON Reset (POR) circuit
- Thermal Shutdown (TSD) circuit
- Over-Current Protection (OCP) circuit
- Open error detection circuit
- Diagnostics output circuit (open drain output)
- Ultra-thin and high heat-radiation (exposed metal type) package
Applications
- Exhaust Gas Recirculation (EGR) valve
- Printer
- PPC
- Scanner
- Monitoring camera
- Sewing machine
- Robot
Specifications
- 35V input voltage
- ±1.8A/phase output current
- 0.35Ω output ON resistance
- -40°C to 125°C operating temperature range
Block Diagram
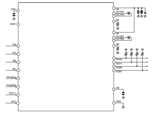
Typical Application Circuit
Yayınlandı: 2025-07-22
| Güncellenmiş: 2025-08-04
