ROHM Semiconductor BD9573MUF-M Automotive Power Management IC
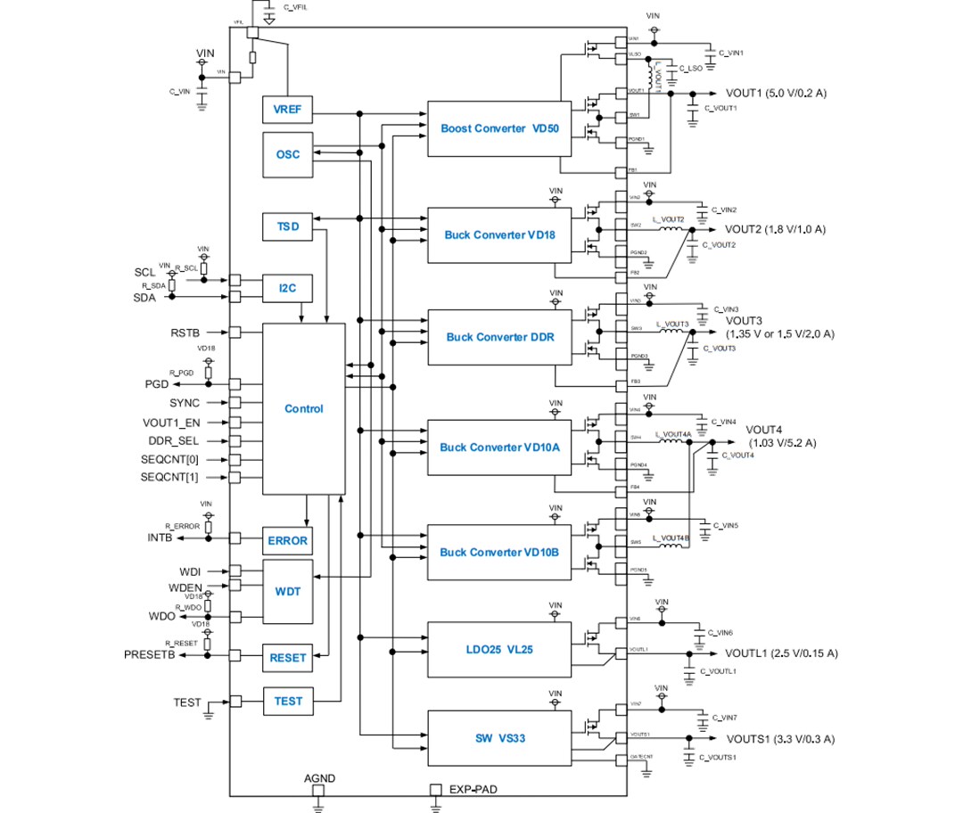
ROHM Semiconductor BD9573MUF-M Automotive Power Management IC (PMIC) is designed specifically for use with the Renesas Electronics R-Car D3 Series Processors for In-Vehicle Infotainment (IVI) systems and instrument cluster panels. The BD9573MUF-M PMIC offers I2C control with a status register for error control. The device includes built-in output sequence control and support for DDR3L/DDR3 memory. Integrated protection functions include undervoltage-lockout (UVLO), over-current protection (OCP), overvoltage-protection (OVP), under voltage-protection (OVP), short-circuit protection (SCP), and thermal shutdown (TSD).The ROHM Semiconductor BD9573MUF-M Automotive PMIC is available in a VQFN56FV8080 package with wettable flanks. This device is AEC-Q100 qualified and features a -40°C to +105°C operating temperature range.
Features
- AEC-Q100 Grade 2 qualified
- Power management for R-car D3 (*E3 if Iout ≦ 5.2A)
- Built-in output sequence control
- DDR3L/DDR3 memory supported
- Customizable power up and power down sequence and state control
- Power control logic with processor interface and event detection
- 3.0V to 3.6V input voltage range
- Output voltage accuracy 1.8%
- 2.25MHz ±10% switching frequency
- Built-in feedback resister/compensation circuit/discharge function
- Built-in Power-Good (PGD terminal)
- Built-in window type watchdog timer (WDT)
- I2C control with a built-in status register
- Built-in UVLO, SCP, OVP, UVP, OCP, and TSD protection
- Adjust sequence time (SEQCNT1, 2)
- EEPROM supported
- -40ºC to +105ºC operating temperature range
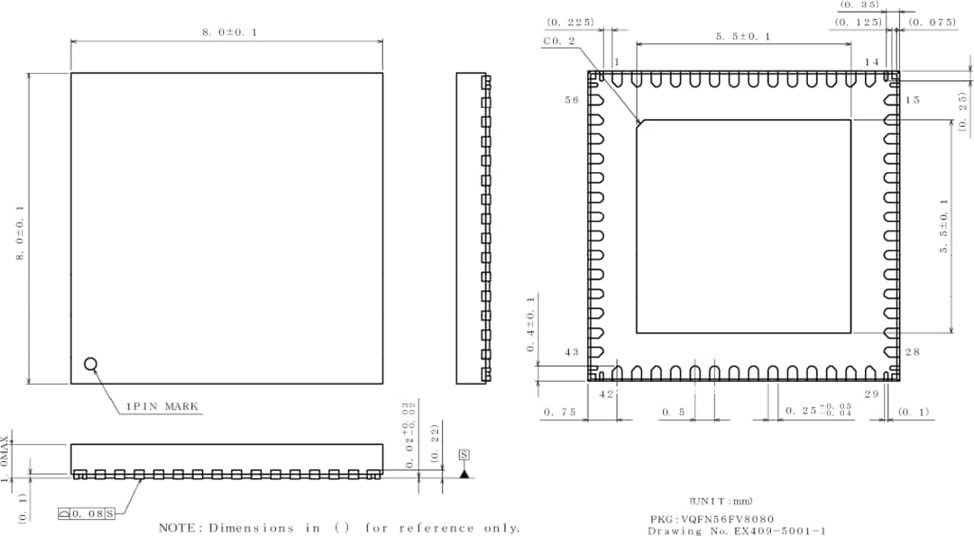
- 8.0mm x 8.0mm x 1.0mm VQFN56FV8080 package; 0.5mm Pitch
Applications
- In-Vehicle Infotainment (IVI) systems
- Instrument cluster panel
Block Diagram
Package Outline
Yayınlandı: 2021-11-29
| Güncellenmiş: 2022-03-11
