onsemi NCx703x Unidirectional Current Sense Amplifiers
onsemi NCx703x Unidirectional Current Sense Amplifiers are high-voltage current sense amplifiers designed for precise current measurement in various applications. The onsemi NCx703x includes the NCS7030, NCS7031, NCV7030, and NCV7031 devices. These amplifiers offer excellent input common-mode rejection from -6V to 80V, ensuring accurate performance even in challenging environments. Available with gain options of 14V/V and 20V/V, the components maintain a maximum gain error of ±0.3% over the entire temperature range. The NCx703x amplifiers are ideal for automotive and industrial applications, providing reliable current sensing across a sense resistor. Additionally, these amplifiers are available in compact SOIC-8 and Micro8 packages, making them suitable for space-constrained designs.Features
- 100kHz bandwidth
- ±300V maximum over temperature input offset voltage
- ±3V/°C maximum over temperature offset drift
- 14V/V and 20V/V gain options
- ±0.3% maximum over temperature gain error
- 1.5mA typical quiescent current
- 3V to 5.5V supply voltage range
- Common-mode input voltage range
- -6V to 80V operating
- -14V to 85V survival
- 85dB minimum CMRR
- 75dB minimum PSRR
- ±10mA maximum input current
- ±50mA maximum output current
- 200mW maximum continuous total power dissipation
- ±100mA maximm latch-up current
- Low-pass filter (1-pole or 2-pole)
- -40°C to +150°C extended ambient temperature range
- Micro8 Case 846A-02 and SOIC-8 NB Case 751-07 package options
- NCV prefix signifies automotive-qualified options
- Moisture Sensitivity Level (MSL) 1
- Lead-free device
Applications
- Telecom equipment
- Power supply designs
- Diesel injection control
- Automotive
- Motor control
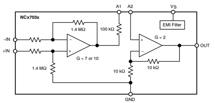
Simplified Block Diagram
Application Schematics
Yayınlandı: 2025-03-25
| Güncellenmiş: 2025-04-16
