STMicroelectronics LM2902B Low-Power Quad Operational Amplifiers
STMicroelectronics LM2902B Low-Power Quad Operational Amplifiers (Op Amps) are designed specifically for automotive and industrial control systems. These four independent and high gain amplifiers have frequency compensation implemented internally. The LM2902B low-power quad operational amplifiers have an operating supply voltage of up to 36V, 1.2MHz wide bandwidth (unity gain), and 100dB large DC voltage gain. These amplifiers are AEC-Q100 qualified and can operate on a single power supply over a wide range of voltages. The LM2902B low-power quad operational amplifiers are used in telecom equipment, power management, and industrial applications.Features
- Up to 36V operating supply voltage
- Internally implemented frequency compensation
- Very low supply current/amplifier and essentially independent of supply voltage
- 1.2MHz (temperature compensated) wide bandwidth (unity gain)
- 20nA (temperature compensated) low input bias current
- ±40V differential input voltage
- Input common-mode voltage range with the negative rail
- Differential input voltage range equal to the power supply voltage
- AEC-Q100 qualified
- 100dB large DC voltage gain
- 2nA low input offset current
- 0V to VCC - 1.5V large output voltage swing
- 150°C maximum junction temperature
Applications
- Telecom equipment
- Power management
- Industrial
- Automotive
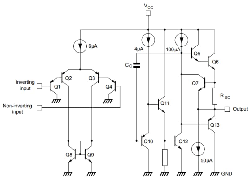
Schematic Diagram
Yayınlandı: 2022-03-07
| Güncellenmiş: 2022-05-31
