STMicroelectronics STGIPQ5C60T SLLIMM Nano 2nd Series IPM
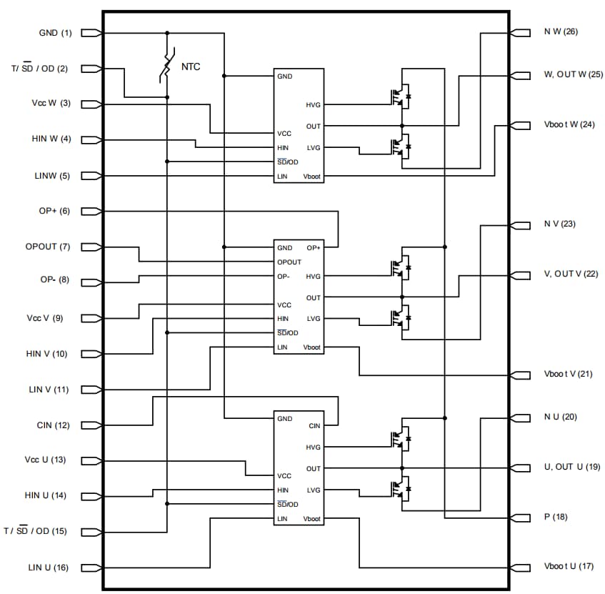
STMicroelectronics STGIPQ5C60T SLLIMM™ Nano 2nd Series Intelligent Power Module (IPM) are designed to provide a high-performance AC motor drive in a simple and rugged design. These IPMs have three half-bridge High Voltage Gate Driver IC (HVIC) for gate driving and six IGBTs with freewheeling diodes that provide low Electromagnetic Interference (EMI).The STGIPQ5C60T Small Low-Loss Intelligent Molded Module (SLLIMM) nano IPM features an operational amplifier and comparator that can be used to design an efficient protection circuit. Typical applications include 3-phase inverters for motor drives, air-conditioning fans, refrigerator compressors, and recirculation pumps.
Features
- Internal bootstrap diode
- Undervoltage lockout
- Smart shutdown function
- Interlocking function
- Optimized for low electromagnetic interference
- Op-amp for advanced current sensing
- Comparator for fault protection against overcurrent
- 1500Vrms/min isolation rating
Applications
- 3-phase inverters for motor drives
- Dish washer
- Refrigerator compressors
- Heating systems
Internal Schematic Diagram and Pin Configuration
Yayınlandı: 2017-11-16
| Güncellenmiş: 2022-03-10
