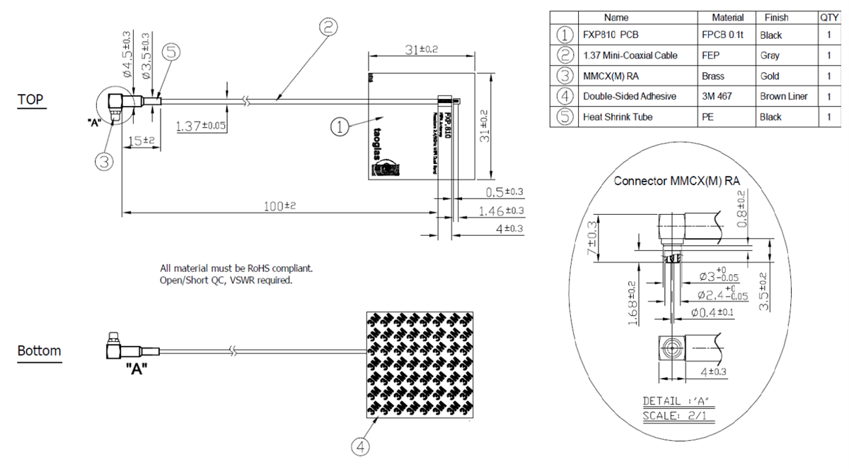
Taoglas FXP.810 Freedom Dual-band Antenna
Taoglas FXP.810 Freedom Dual-band Antenna is a high-efficiency ground plane independent antenna with 1.5dBi and 5.1dBi peak gain. This FXP.810 antenna comes with a 2.4GHz to 5.8GHz frequency range and 50Ω impedance. The freedom dual-band antenna is available in 100mm cable length and 31mm x 31mm x 0.1mm dimensions.Features
- Very high-efficiency
- Ground-plane independent antenna
- MMCX(M)RA connector
- 100mm cable length and 1.37mm coaxial cable type
- 31mm x 31mm x 0.1mm dimensions
- RoHS compliant
Specifications
- 1.5dBi and 5.1dBi peak gain peak gain
- 2.4GHz to 5.8GHz frequency range
- 50Ω impedance
- 2W maximum input power
- -40°C to 85°C operating temperature range
Mechanical Drawing
Additional Resources
Yayınlandı: 2021-04-19
| Güncellenmiş: 2023-01-24
