Texas Instruments ADC342x/ADC342x-Q1 Quad-Channel 12-Bit ADCs
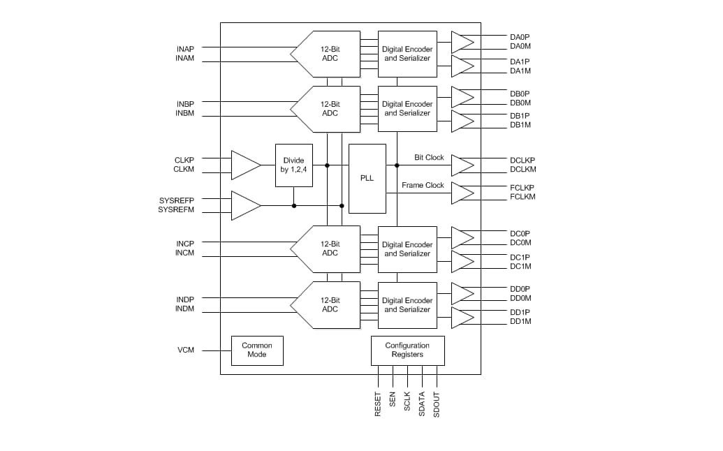
Texas Instruments ADC342x/ADC342x-Q1 Quad-Channel 12-Bit Analog-to-Digital Converters are a high-linearity, ultra-low power, quad-channel, 12-bit, 25-MSPS to 125-MSPS, analog-to-digital converters (ADCs). The devices are designed specifically to support demanding, high input frequency signals with large dynamic range requirements. An input clock divider allows more flexibility for system clock architecture design and the SYSREF input enables complete system synchronization. The ADC342x supports serial low-voltage differential signaling (LVDS) in order to reduce the number of interface lines, thus allowing for high system integration density. The serial LVDS interface is two-wire, where each ADC data are serialized and output over two LVDS pairs. An internal phase-locked loop (PLL) multiplies the incoming ADC sampling clock to derive the bit clock that is used to serialize the 12-bit output data from each channel. The ADC342x-Q1 devices are AEC-Q100 qualified for automotive applications.Features
- Quad channel
- 12-Bit resolution
- SNR = 70.2dBFS, SFDR = 87dBc at fIN = 70MHz
- Pin-to-Pin compatible with 14-bit version
- Ultra-low power consumption
- 98mW/Ch at 125MSPS
- Package: VQFN-56 (8mm×8mm)
Applications
- Multi-carrier, multi-mode cellular base stations
- Radar and smart antenna arrays
- Munitions guidance
- Motor control feedback
- Network and vector analyzers
- Communications test equipment
- Nondestructive testing
- Microwave receivers
- Software-Defined Radios (SDRs)
- Quadrature and diversity radio receivers
Datasheets
Block Diagram
Yayınlandı: 2016-01-22
| Güncellenmiş: 2025-06-24
