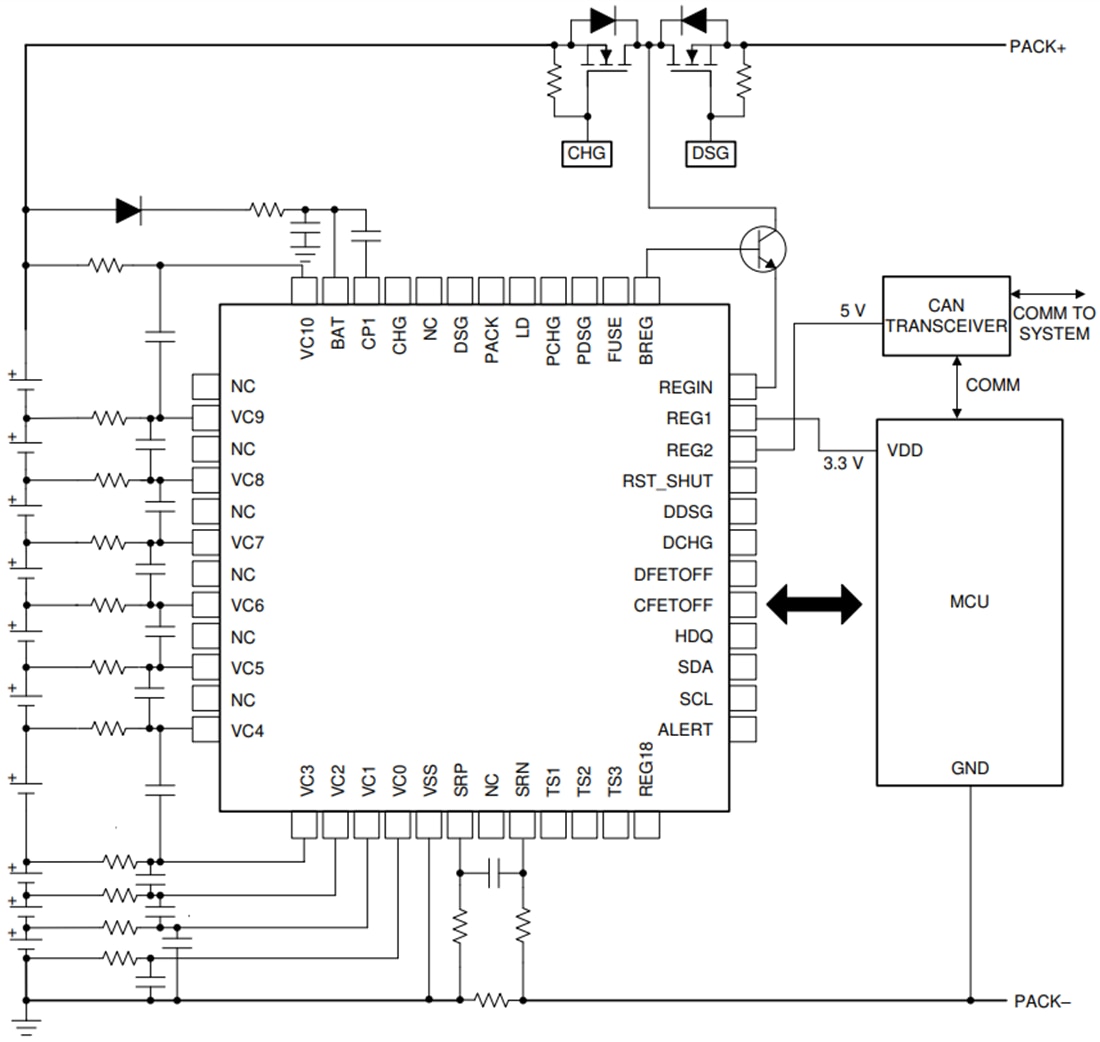
Texas Instruments bq76942 Multicell Battery Monitor
Texas Instruments bq76942 Multicell Battery Monitor is a highly integrated, high accuracy battery monitor and protector for 3-series to 10-series Li-ion, Li-polymer, and LiFePO4 battery packs. The device includes a high-accuracy monitoring system, a highly configurable protection subsystem, and support for autonomous or host-controlled cell balancing. Integration includes high-side charge-pump NFET drivers, dual programmable LDOs for external system use, and a host communication peripheral supporting 400kHz I2C, SPI, and HDQ one-wire standards. The Texas Instruments bq76942 is available in a 48-pin TQFP package.Features
- Battery monitoring capability for 3-series to 10-series cells
- Integrated charge pump for high-side NFET protection with optional autonomous recovery
- Extensive protection suite including voltage, temperature, current, and internal diagnostics
- Two independent ADCs
- Support for simultaneous current and voltage sampling
- High-accuracy coulomb counter with input offset error < 1µV (typical)
- High-accuracy cell voltage measurement < 10mV (typical)
- Wide-range current applications (±200mV measurement range across sense resistor)
- Integrated secondary chemical fuse drive protection
- Autonomous or host-controlled cell balancing
- Multiple power modes (typical battery pack operating range conditions)
- NORMAL mode (286µA)
- Multiple SLEEP mode options (24µA to 41µA)
- Multiple DEEPSLEEP mode options (9µA to 10µA)
- SHUTDOWN Mode (1µA)
- High-voltage tolerance of 85V on cell connect and select additional pins
- Tolerant of random cell attach sequence on the production line
- Support for temperature sensing using internal sensor and up to nine external thermistors
- Integrated one-time-programmable (OTP) memory programmable by customers on the production line
- Communication options include 400kHz I2C, SPI, and HDQ one-wire interface
- Dual programmable LDOs for external system usage
- 48-pin TQFP package (PFB)
Applications
- Cordless power tools and garden tools
- Vacuum cleaners
- E-bike, e-scooter, and LEV
- Non-military drones
- Other industrial battery packs (3-series–10-series)
Simplified Schematic
Yayınlandı: 2021-02-22
| Güncellenmiş: 2022-03-11
