Texas Instruments CSD17309Q3 NexFET™ Power MOSFET
Texas Instruments CSD17309Q3 30V N-Channel NexFET™ Power MOSFET is designed to minimize losses in power conversion applications and is optimized for 5V gate drive applications. The Texas Instruments CSD17309Q3 N-Channel NexFET MOSFET features ultra-low on-resistance and low thermal resistance. This MOSFET is ideal for notebook point of load and point-of-load synchronous buck in networking, telecom, and computing systems applications.Features
- Optimized for 5V Gate Drive
- Ultra-Low Qg and Qgd
- Low Thermal Resistance
- Avalanche Rated
- Pb Free Terminal Plating
- RoHS Compliant
- Halogen Free
- SON 3.3×3.3mm Plastic Package
Applications
- Notebook Point of Load
- Point of Load Synchronous Buck in Networking, Telecom, and Computing Systems
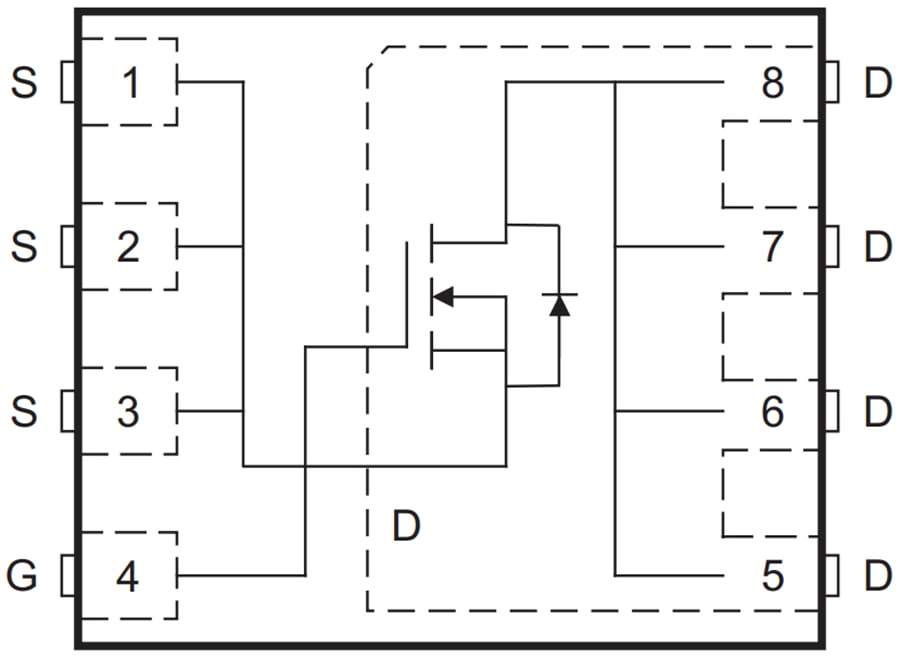
Schematic
Yayınlandı: 2010-06-07
| Güncellenmiş: 2022-03-11
