Texas Instruments LM614xT-Q1 Automotive Buck Converters
Texas Instruments LM614xT-Q1 Automotive Buck Converters are optimized for power density and low EMI in a thermally enhanced package for dual-side cooling. These converters feature a 3V to 36V input voltage range, 5V output voltage, 2.2MHz switching frequency, and 10A continuous maximum output current. The LM614xT-Q1 converters operate over a frequency range above and below the AM radio band (pin configurable 400kHz and 2.2MHz fixed or adjustable from 200kHz to 2.2MHz). These converters include adjustable SW node rise time, pin-configurable spread spectrum, and low input inductance package. The LM614xT-Q1 devices are AEC-Q100 qualified for automotive applications. Typical applications include automotive infotainment and instrument clusters and Advanced Driver Assistance Systems (ADAS).The LM614xT-Q1 converters include built-in compensation, soft start, current limit, thermal shutdown, and UVLO. These converters are available in a 4.5mm × 3.5mm wettable flank QFN package and come with a junction temperature range of -40°C to +150°C.
Features
- AEC-Q100 qualified for automotive applications:
- -40°C to 125°C (temperature grade 1) ambient operating temperature range
- Functional safety-capable:
- Documentation available to aid functional safety system design
- 3V to 36V input voltage range
- Designed for low EMI:
- CISPR 25 class 5 compliant EVM
- Pin-configurable spread spectrum
- Adjustable SW node rise time
- Above and below AM band operation: pin configurable 400kHz and 2.2MHz fixed or adjustable from 200kHz to 2.2MHz
- Low EMI symmetrical pinout
- Light load mode is pin-configurable for constant frequency or Pulse Frequency Modulation (PFM)
- High-efficiency design:
- 95% efficient for an 8A load at 5VOUT
- <1µA shutdown current (typical)
- High power density:
- Built-in compensation, soft start, current limit, thermal shutdown, and UVLO
- 4.5mm x 3.5mm wettable flank QFN package
- Thermally enhanced package provides exposed top and bottom thermal pads and enables dual-side cooling with RθJC(top) = 0.64°C/W
Applications
- Automotive infotainment and instrument cluster
- Advanced Driver Assistance Systems (ADAS)
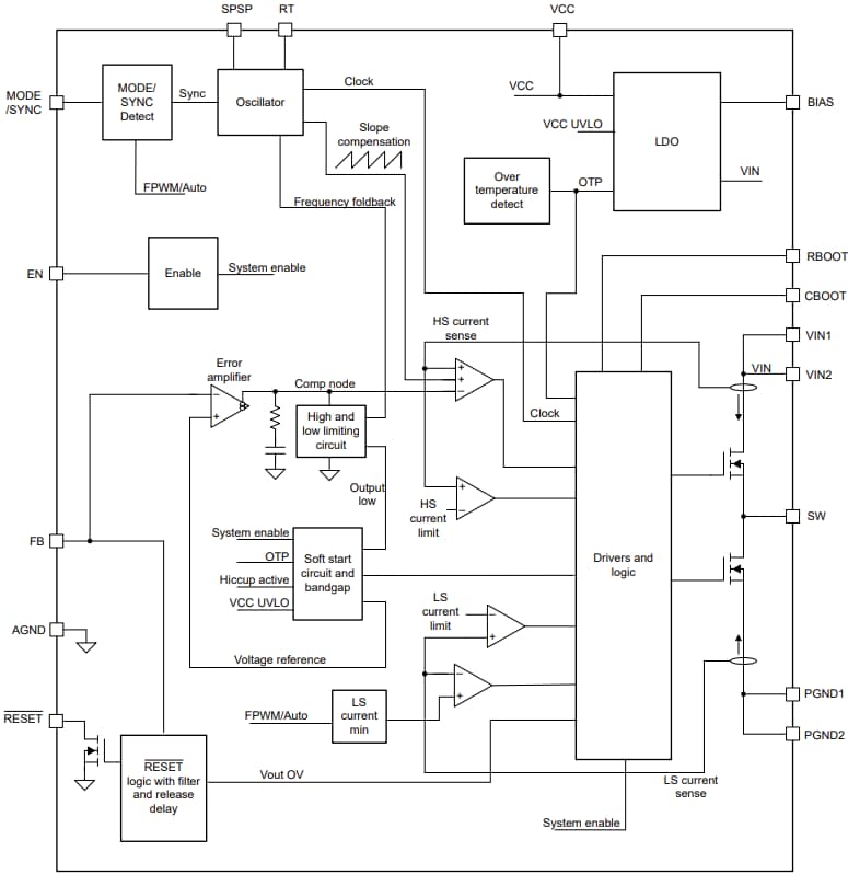
Block Diagram
EVM Efficiency ( VOUT = 5V, FSW = 2.2MHz)
Schematic
Additional Resource
Yayınlandı: 2025-01-23
| Güncellenmiş: 2025-05-06
