Texas Instruments LMR514xx SIMPLE SWITCHER® Power Converters
Texas Instruments LMR514xx SIMPLE SWITCHER® Power Converters are easy-to-use, wide-VIN, synchronous buck converters capable of driving up to 0.6A (LMR51406) or 1A (LMR51410) load current. The device is designed for various industrial applications with a wide input range of 4V to 42V for power conditioning from an unregulated source.The Texas Instruments LMR514xx operates at 400kHz and 1.1MHz switching frequency to support relatively small inductors for an optimized design size. It has a PFM version to realize high efficiency at light load and an FPWM version to achieve a small output voltage ripple over the full load range and constant frequency. Compensation circuits and soft-start are implemented internally, allowing the device to be used with minimal external components.
The device has built-in protection features, such as hiccup mode short-circuit protection, cycle-by-cycle current limit, and thermal shutdown in case of excessive power dissipation.
Features
- Functional Safety-Capable
- Documentation available to aid functional safety system design
- Configured for rugged industrial applications
- 4V to 42V input voltage range
- Input transient protection up to 50V
- 0.6A/1A continuous output current
- 80ns minimum switching on time
- Fixed 400kHz and 1.1MHz switching frequency
- –40°C to 150°C junction temperature range
- 98% maximum duty cycle
- Monotonic start-up with pre-biased output
- Short-circuit protection with hiccup mode
- Precision enable
- ±1.5% tolerance voltage reference
Applications
- Major appliances
- PLC, DCS, and PAC
- Smart meters
- Power delivery
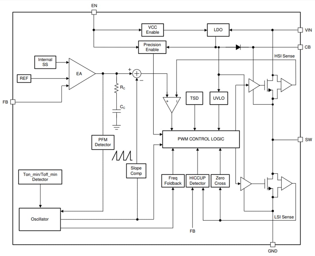
Functional Block Diagram
Yayınlandı: 2024-07-01
| Güncellenmiş: 2024-07-04
