Texas Instruments SN74ACT139/SN74ACT139-Q1 2-to-4 Line Decoder/Demux
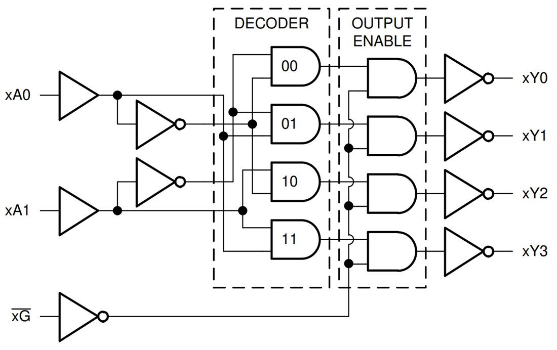
Texas Instruments SN74ACT139/SN74ACT139-Q1 Dual 2-to-4 Line Decoders/Demultiplexers contain two 2-to-4 decoders with one active low output strobe (G). When the strobe input is inactive (G = HIGH), the outputs for that channel are all forced into the high state. When the strobe input is active (G = LOW), only the selected output is low, while all others are high. The Texas Instruments SN74ACT139-Q1 devices are AEC-Q100 qualified for automotive applications.Features
- Operating voltage range of 4.5V to 5.5V
- TTL-compatible inputs
- Continuous ±24mA output drive at 5V
- Supports up to ±75mA output drive at 5VIN short bursts
- Drives 50Ω transmission lines
- Fast operation with a delay of 10.2ns max
Applications
- Memory device selection with shared data bus
- Route data
- Reduce the required number of outputs for chip-select applications
Additional Resources
- SN74ACT139 Datasheet
- SN74ACT139-Q1 Datasheet
- Application Note: Implications of Slow or Floating CMOS Inputs
- Selection Guide: Logic Guide
- Application Note: Understanding and Interpreting Standard-Logic Data Sheets
- User Guide: LOGIC Pocket Data Book
- Application Note: Selecting the Right Level Translation Solution
- Application Note: Designing With Logic
- Application Note: Using High Speed CMOS and Advanced CMOS in Systems With Multiple Vcc
- Advanced Driver Assistance Systems (ADAS)
Logic Diagram (Positive Logic)
Yayınlandı: 2025-03-25
| Güncellenmiş: 2025-05-06
