Texas Instruments SN74ACT596/SN74ACT596-Q1 SIPO Shift Registers
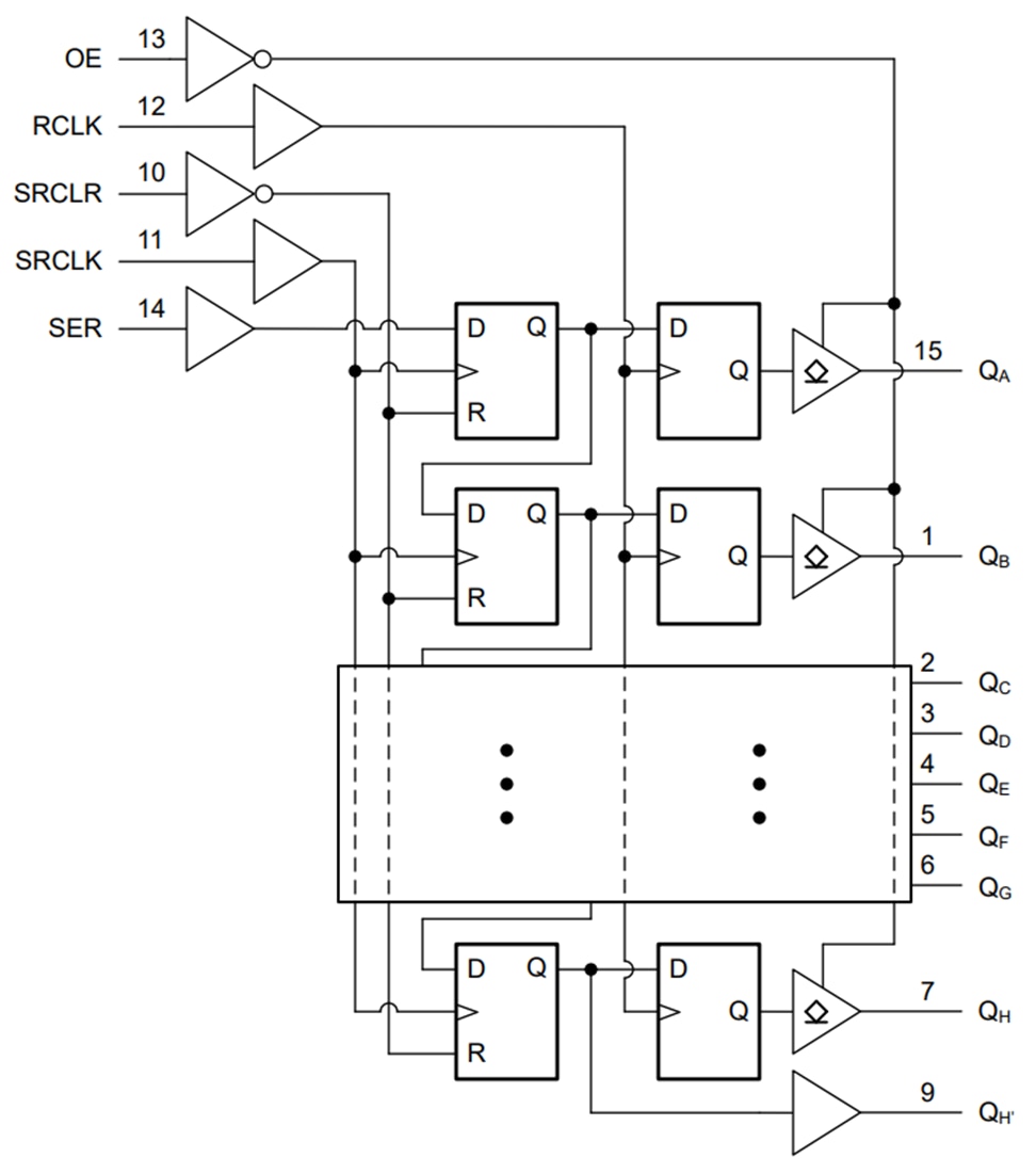
Texas Instruments SN74ACT596/SN74ACT596-Q1 8-Bit SIPO Shift Registers contain an 8-bit, serial-in, parallel-out (SIPO) shift register that feeds an 8-bit D-type storage register. Separate clocks are provided for both the storage and shift registers, and the storage register has parallel open-drain outputs. The shift register has a direct overriding clear (SRCLR\) input, serial output (QH’), and serial (SER) input for cascading. The outputs are in a high-impedance state when the output-enable (OE\) input is high. The operation of the OE\ input does not impact the internal register data. The Texas Instruments SN74ACT596-Q1 devices are AEC-Q100 qualified for automotive applications.
Features
- Operating voltage range of 4.5V to 5.5V
- TTL-compatible inputs
- Continuous ±24mA output drive at 5V
- Supports up to ±75mA output drive at 5VIN short bursts
- Drives 50Ω transmission lines
- Fast operation with a delay of 11.6ns max
Applications
- Increase the number of outputs on a microcontroller
- Store up to 8 bits of data temporarily
Additional Resources
- SN74ACT596 Datasheet
- SN74ACT596-Q1 Datasheet
- Application Note: Implications of Slow or Floating CMOS Inputs
- Selection Guide: Logic Guide
- Application Note: Understanding and Interpreting Standard-Logic Data Sheets
- User Guide: LOGIC Pocket Data Book
- Application Note: Selecting the Right Level Translation Solution
- Application Note: Designing With Logic
- Application Note: Using High Speed CMOS and Advanced CMOS in Systems With Multiple Vcc
- Advanced Driver Assistance Systems (ADAS)
Logic Diagram (Positive Logic)
Yayınlandı: 2025-03-25
| Güncellenmiş: 2025-05-06
