Texas Instruments SN74LV595B-EP Low-Noise 8-Bit Shift Register
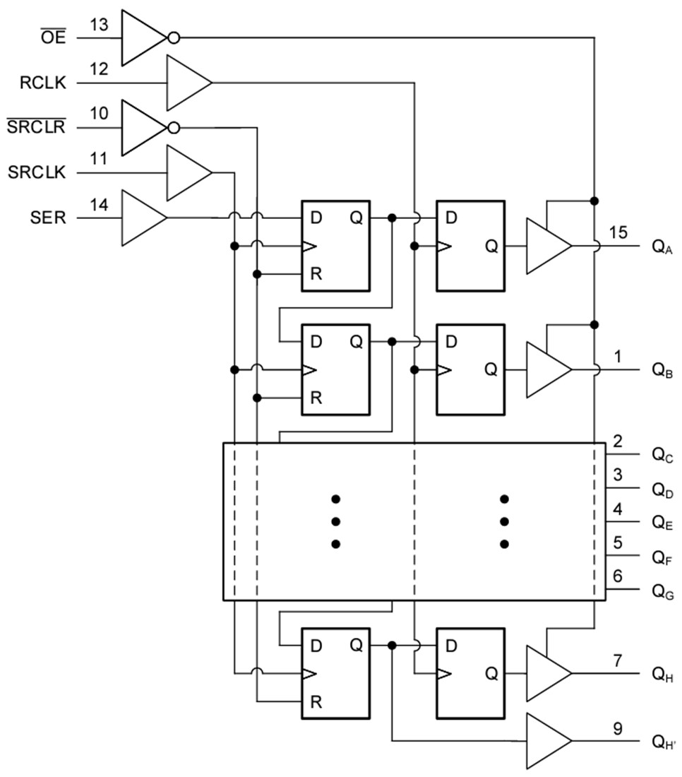
Texas Instruments SN74LV595B-EP Low-Noise 8-Bit Shift Register contains an 8-bit serial-in, parallel-out shift register that feeds an 8-bit D-type storage register. The storage register has parallel 3-state outputs. Separate clocks are provided for both the shift and storage register. The shift register has a direct overriding clear (SRCLR) input, serial (SER) input, and serial output for cascading. When the output-enable (OE) input is high, all outputs except QH are in the high-impedance state. The device is fully specified for partial-power-down applications using Ioff. The Ioff circuitry disables the outputs, preventing damaging current backflow through the device when powered down. The Texas Instruments SN74LV595B-EP device has gold bond wires, a temperature range of –55°C to +105°C, and an SnPb lead finish.Features
- 2V to 5.5V VCC operation
- Maximum tpd of 6.5ns at 5V
- Supports mixed-mode voltage operation on all ports
- Ioff supports partial-power-down mode operation
- Latch-up performance exceeds 250mA per JESD 17
- Operating ambient temperature of -55°C to +125°C
- Supports defense, aerospace, and medical applications
- Controlled baseline
- One assembly and test site
- One fabrication site
- Extended product life cycle
- Product traceability
Applications
- Output expansion
- LED matrix control
- 7-segment display control
Logic Diagram
Yayınlandı: 2023-11-02
| Güncellenmiş: 2023-11-09
