Texas Instruments TPS1212-Q1 Automotive High-Side Switch Controllers
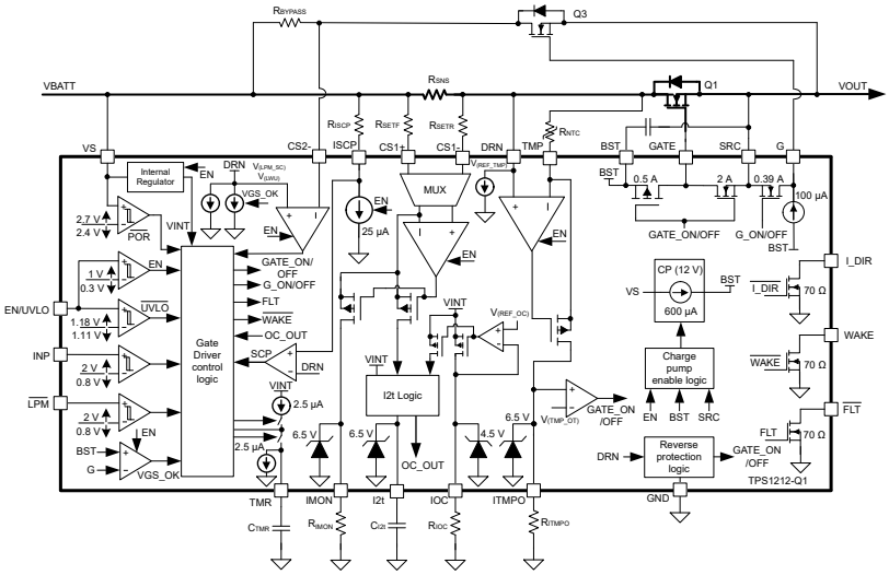
Texas Instruments TPS1212-Q1 Automotive High-Side Switch Controllers are part of a family of low IQ smart high-side drivers with protection and diagnostics. These controllers feature a wide operating voltage range of 3.5V to 73V, 74V absolute maximum, and are suitable for 12V, 24V, and 48V automotive system designs. The TPS1212-Q1 controllers contain two integrated gate drives with 0.5A/2A (GATE) and 100μA/0.39A (G). These controllers include accurate current sensing (±2%) output (IMON) with adjustable I2t-based overcurrent and short circuit protection. The TPS1212-Q1 devices are AEC-Q100 qualified for automotive applications. Typical applications include power distribution boxes, body control modules, DC/DC converters, and battery management systems.Features
- AEC-Q100 automotive qualified for grade 1 temperature
- 3.5V to 73V input range (74V absolute maximum)
- Reverse input and output protection down to -65V
- Integrated 12V charge pump
- Low IQ = 20µA in low power mode (LPM = Low)
- Low 1µA shutdown current (EN/UVLO = Low)
- Dual gate drive:
- GATE:0.5A src/2A sink
- G:100μA src/0.39A sink
- Accurate I2t overcurrent protection (IOC) with adjustable circuit breaker timer (I2t)
- Accurate and fast (5µs) short-circuit protection
- Fast transition (5µs) from low power mode to active mode using adjustable load wakeup threshold or LPM trigger with WAKE indication
- ±2% at 30mV VSNS accurate analog bi-directional current monitor output (IMON, I_DIR)
- NTC-based overtemperature sensing (TMP) and monitoring output (ITMPO)
- Fault indication (FLT) during short circuit fault, I2t, charge pump UVLO, and overtemperature
- TPS12120-Q1 (I2t enabled) and TPS12121-Q1 (I2t disabled)
- Accurate (±2%) and adjustable Under-Voltage Lockout (UVLO)
Applications
- Power distribution box
- Body control module
- DC/DC converter
- Battery management system
Application Circuit Diagrams
Functional Block Diagram
Yayınlandı: 2025-07-03
| Güncellenmiş: 2025-07-28
