Texas Instruments TPS25200/TPS25200-Q1 5V eFuse
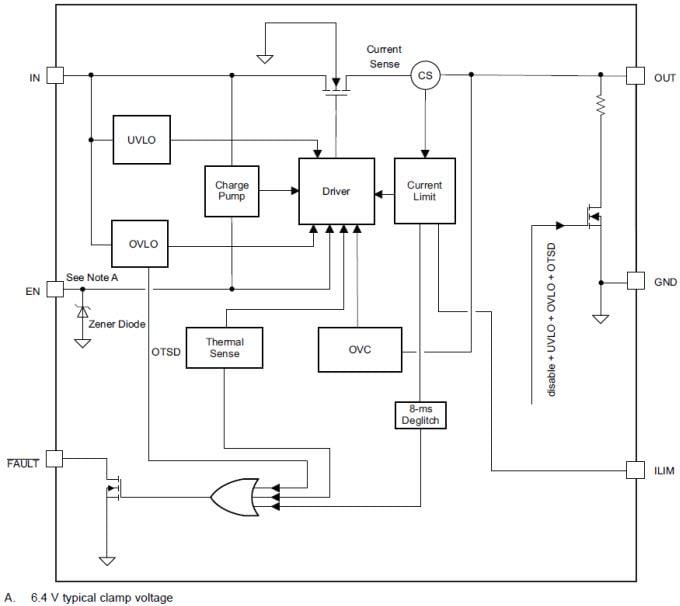
Texas Instruments TPS25200/TPS25200-Q1 5V eFuse is an eFuse that comes with a precision current limit and overvoltage clamp. The device provides robust protection for load and source during overvoltage and overcurrent events. The TPS25200/TPS25200-Q1 is an intelligent protected load switch with VIN tolerant to 20V. If an incorrect voltage is applied at IN, the output will clamp to 5.4V to protect the load. If the voltage at IN exceeds 7.6V, the device disconnects the load to prevent damage to the device and/or load.The current limit is programmable from 85mA to 2.9A for TPS25200 and to 2.7A for TPS25200-Q1 with a single resistor to ground. During overload events, the output current is limited to the level set by RILIM. If a persistent overload occurs, the device will eventually go into thermal shutoff to prevent damage to the TPS25200/TPS25200-Q1. The Texas Instruments TPS25200-Q1 devices are AEC-Q100 qualified for automotive applications.
Features
- 2.5V to 6.5V operation
- Input withstands up to 20V
- 7.6V input overvoltage shutoff
- 5.25V to 5.55V fixed overvoltge clamp
- 0.6µs overvoltage lockout response
- 3.5µs short circuit response
- Integrated 60mΩ high-side MOSFET
- Up to 2.5A continuous load current
- ±6% current-limit accuracy at 2.9A
- Reverse current blocking While disabled
- Built-in soft start
- Pin-to-Pin compatible with TPS2553
Applications
- USB power switches
- USB slave devices
- Smartphones
- 3G, 4G wireless data cards
- Solid State Drives (SSD)
- 3V or 5V adapter powered devices
Datasheets
Functional Block Diagram
Development Tool
Yayınlandı: 2014-09-09
| Güncellenmiş: 2022-03-11
