Texas Instruments TPS6224x Step-Down Converters
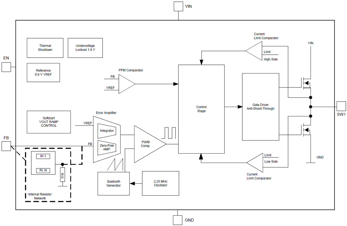
Texas Instruments TPS6224x Step-Down Converters are high-efficiency synchronous DC/DC step-down converters providing a fixed output voltage and up to 300mA of output current. These devices offer low power consumption for battery-powered/always-on automotive applications like Remote Keyless Entry (RKE) or Passive Entry Passive Start (PEPS) key fobs and base stations. With an input voltage range of 2V to 6V, the devices support applications powered by Li-MnO2 coin cell batteries, Li-Ion batteries, two (2S) and three-cell (3S) alkaline, 3.3V, and 5V input voltage rails. The Texas Instruments TPS6224x-Q1 operates at a 2.25MHz fixed switching frequency at a high load current. It enters the power-save mode operation at light load currents to maintain high efficiency and low power consumption over the entire load current range. The power-save mode is optimized for low output-voltage ripple. In the shutdown mode, the current consumption is reduced to less than 1µA. The TPS6224x-Q1 allows small inductors and capacitors to achieve a small solution size and is available in a 5-pin TSOT23 package.Features
- Q1 parts are AEC-Q100 qualified with the following results
- Device Temperature Grade 1 (-40°C to 125°C operating junction temperature range)
- Output current up to 300mA
- VIN range from 2V to 6V
- 2.25MHz fixed-frequency operation in PWM mode
- Power-save mode at light load currents
- Output voltage accuracy in PWM mode is ±1.5%
- Fixed output voltages
- 1.80V TPS62243-Q1
- 1.25V TPS62244-Q1
- 15µA typical quiescent current
- 100% duty cycle for the lowest dropout
- Available in a TSOT 23 (5) 2.90mm × 1.60mm package
Applications
- Remote Keyless Entry (RKE)
- Passive Entry Passive Start (PEPS)
- Advanced Driver Assistance Systems (ADAS)
- Front camera, surround view, and park assist
Functional Block Diagram
Yayınlandı: 2018-06-13
| Güncellenmiş: 2025-03-06
