Texas Instruments TPS624xx-Q1 Step-Down Converters
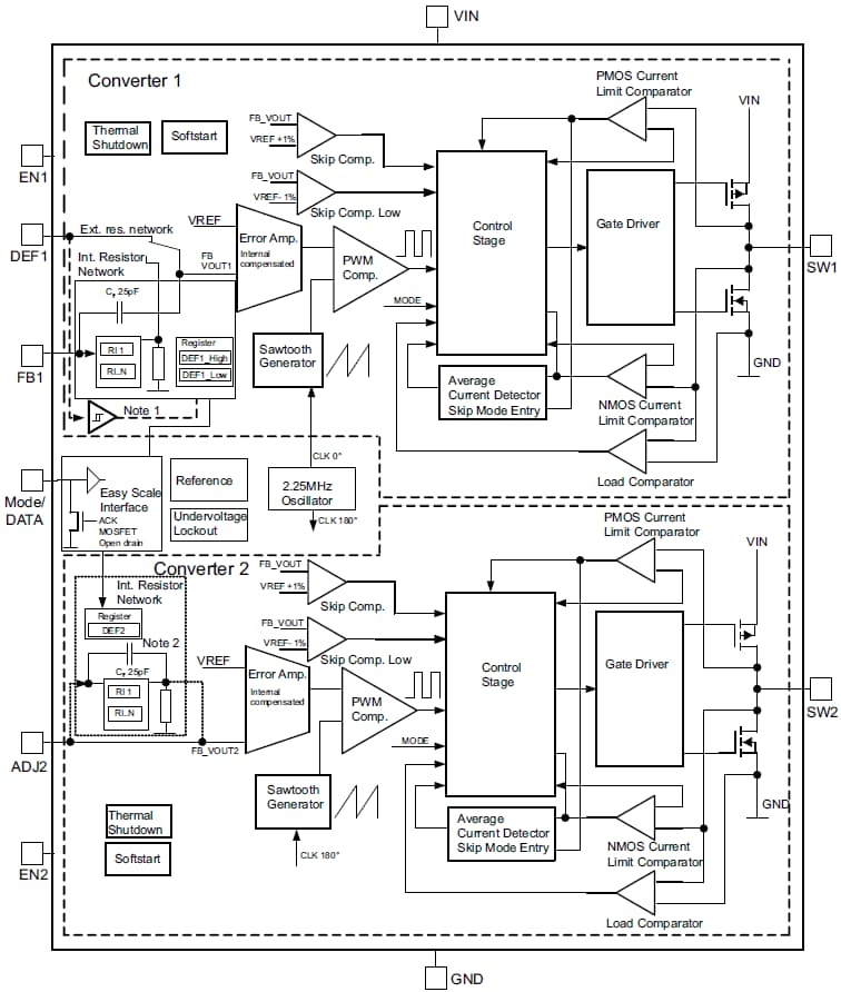
Texas Instruments TPS624xx-Q1 Step-Down Converters are synchronous dual step-down DC-DC converters for Automotive applications such as Advanced Driver Assistance Systems (ADAS). These devices provide two independent output voltage rails powered by a standard 3.3V or 5V voltage rail, with fixed output voltages optimized for powering the CMOS imager or serializer-deserializer in ADAS camera modules. The EasyScale™ serial interface allows output-voltages modification during operation. The fixed-output-voltage versions support one-pin-controlled simple dynamic voltage scaling for low-power processors.The Texas Instruments TPS624xx-Q1 converters operate at 2.25MHz fixed switching frequency and enter the power-save mode operation at light load currents to maintain high efficiency over the entire load current range. One can force the devices into fixed-frequency PWM mode for low-noise applications by pulling the MODE/DATA pin high. The shutdown mode reduces the current consumption to 1.2µA, typical. The devices allow the use of small inductors and capacitors to achieve a small solution size.
Features
- Qualified for automotive applications
- AEC-Q100 qualified with the following results
- Device Temperature Grade 1 (–40°C to 125°C operating junction temperature range)
- Device HBM ESD Classification Level 2
- Device CDM ESD Classification Level C4B
- High efficiency—up to 95%
- VIN range from 2.5V to 6V
- 2.25MHz fixed-frequency operation
- Output current TPS62406-Q1 1000mA/400mA
- Output current TPS62407-Q1 400mA/600mA
- Fixed output voltages
- EasyScale™ optional one-pin serial interface
- Power-save mode at light load currents
- 180° out-of-phase operation
- Output-voltage accuracy in PWM Mode ±1%
- Typical 32µA quiescent current for both converters
- 100% duty cycle for the lowest dropout
Applications
- Automotive point of load regulator
- ADAS camera modules
- Mirror replacement (CMS)
- Infotainment and cluster
Functional Block Diagram
Yayınlandı: 2018-06-15
| Güncellenmiş: 2023-02-22
