Texas Instruments TPS62893-Q1 Step-Down DC/DC Converter
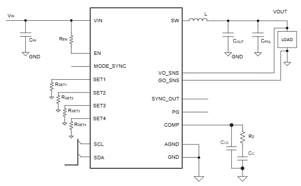
Texas Instruments TPS62893-Q1 Step-Down DC/DC Converter is a synchronous converter with an I2C interface and differential remote sense. This DC/DC converter can operate in stacked mode to deliver higher output currents or to spread the power dissipation across multiple devices. The TPS62893-Q1 converter implements a fixed-frequency DCS-control scheme with adjustable switching frequency and adjustable loop compensation. This DC/DC converter is available in a 5.0mm x 6.0mm VQFN package. The TPS62893-Q1 device is AEC-Q100 qualified for automotive applications. This converter is ideal for ADAS sensor fusion, surround view ECU, hybrid and reconfigurable cluster, and head unit, telematics control unit
Features
- AEC-Q100 qualified for automotive applications:
- -40°C to 125°C TA device temperature grade 1
- -40°C to 150°C junction temperature range
- Functional safety-capable documentation is available to aid in functional safety system design
- 2.8V to 6V input voltage range
- ±0.5% output voltage accuracy
- 0.4V to 1V output voltage range
- 1.8mΩ and 0.7mΩ internal power MOSFETs
- External compensation
- Optional stacked operation for increased output current capability
- Adjustable switching frequency from 833kHz to 3MHz (product preview)
- External synchronization
- Forced PWM or power save mode operation
- Optimized load transient operation
- Fixed frequency DCS-control
- Transient non-synchronous mode
- Adjustable droop compensation
- Optimized for small and low-profile inductors
- I2C compatible interface with up to 3.4MHz
- Differential remote sensing
- Thermal pre-warning and thermal shutdown
- Input and output overvoltage protection
- Output discharge
- Optional spread-spectrum clocking
- Telemetry for VIN, Temp, VOUT, and IOUT
- Interrupt output
- Power-good output with a window comparator with adjustable thresholds
- Available in a 5.0mm x 6.0mm VQFN package
Applications
- ADAS sensor fusion
- Surround view ECU
- Hybrid and reconfigurable cluster
- Head unit and telematics control unit
Schematic
Yayınlandı: 2025-09-29
| Güncellenmiş: 2026-02-03
